Аналоги электрооборудования Ява 12в.
- Medved
- рокер
- Повідомлень: 254
- З нами з: 25 травня 2009, 11:57
- Мотоцикл: jawa638
- Звідки: Kiev
- Дякував (ла): 0
- Подякували: 0
- Контактна інформація:
Аналоги электрооборудования Ява 12в.
Выклдываю тему по электрооборудованию. (Большое спасибо SAN, и другим за материал)
Всё, что здесь написано – касается только Яв с 12 вольтовым электрооборудованием.
Да. К явским электро - приборам можно отнести несколько вещей. Это 1) Реле-регулятор 2) Диодный мост 3) Реле загара лампочки зарядки аккумулятора 4) Реле поворотов 5) Не совсем прибор, но всё-же – лягушка включения стоп-сигнала.
ВСЕ! Эти приборы имеют свои аналоги в автопроме, или в других местах. Некоторые из них более дешёвые и более качественные, чем Явские.
Начнём по порядку.
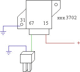
1) Реле-регулятор. РР подходит от многих автомобилей. Я использую РР от отечественных автомобилей ВАЗ (классика). Выглядит он, как на фото. Имеет в обозначении цифры XXX.3702, где XXX – любые цифры, всегда разные, а 3702 – всегда одни и те-же. Имеет маркировку 67 и 15.
Подключается он просто. На "15" цепляешь синий провод который шел к "D",
на "67"-зеленый от "DF".Ну и не забудь привинтить "массу" !!! на металлическое основание р.р.
Прибор хорош тем, что стоит в разы дешевле родного, занимает меньше места и надёжнее, ибо электронный, а не механический (как родной Явский).
Так же можно подключать и РР серии ЯXXXА, но схема их подключения мне не известна, хотя тоже НЕ сложна.
2) Диодный мост. Диодные мосты я использую по подсказке Сектоида обычные, на 35 ампер. Они продаются практически в любом радиомагазине. Стоят опять же в РАЗЫ дешевле Явского родного, но и ещё и лучше, ибо не так греются, не сгорают, занимают меньше места… Представляют из себя 2 металлических квадрата с отверстием для крепления посредине. Почему 2? Потому-что в одном корпусе – 2 диода. А в Яве используется 3 диода, поэтому один всё время не подключён, и остаётся кАк запасной. Снизу выложу фотографию, сделанную Сектоидом, там нарисовано как их подключать. За 2 года эксплуатации они меня ни разу не подвели. Короче – отличные мосты. Можно ещё подключать автомобильные диодные мосты, но я не вижу в этом смысла, ибо они громоздкие, и корявые. Можно конечно выпаять из них диоды, и впаять в родной Явский корпус, но нахрена этот геморрой? Лучше купить один раз нормальные, и не парится.
можно использовать обычный 3-х фазный точно такой же диодный мост типа SQL30A 30А 1000В . В однофазной схеме диодного моста -4 диода, в 3-х фазном - 6!
3) Вот тут я не помощник. У меня родная хренька нормально работает.
4) Реле поворотов.
Реле поворотов от ВАЗ 2108 на Яву 12в.
контакт 49 - это +. (синий)
контакт 49а - это к переключателю (коричневый)
контакт 31 - это масса.
Ну тупо достоинства всё те-же… Дешевле, меньше, доступнее… И т.д. К родному масса не подводилась, к этому нужно будет провести ещё и массу. Фотки нет.
5) Лягушка включения стоп сигнала. В родном явском исполнении представляла из себя трос идущий от переднего и заднего тормоза к лягушке, которая крепилась возле воздухофильтра. Моя родная сдохла оч. Давно, и я себе сделал по другому. Купил микрик, срабатывающий на разжатие. К железяке, которая тянет трос заднего тормоза прикрепил металлическую пластинку. Она давит на кнопку микрика, тем самым включая и выключая стоп сигнал. Микрик приклеил к раме на поксипол. На него практически нет давления, и он никуда не оторвётся от рамы – проверено годами. Ну к контактам микрика припаял родные провода. Всё просто и всё надёжно работает, если сделать аккуратно…Достоинства : Хорошо выглядит, отлично работает, дёшего стоит… Недостатки: в отличие от родной лягушки, которая срабатывала от заднего и переднего тормоза, этот работает только при нажатии на педаль заднего тормоза…
Добавлены картинки подключения реле-регулятора, диодного моста и общая эл. схема.
Всё, что здесь написано – касается только Яв с 12 вольтовым электрооборудованием.
Да. К явским электро - приборам можно отнести несколько вещей. Это 1) Реле-регулятор 2) Диодный мост 3) Реле загара лампочки зарядки аккумулятора 4) Реле поворотов 5) Не совсем прибор, но всё-же – лягушка включения стоп-сигнала.
ВСЕ! Эти приборы имеют свои аналоги в автопроме, или в других местах. Некоторые из них более дешёвые и более качественные, чем Явские.
Начнём по порядку.
1) Реле-регулятор. РР подходит от многих автомобилей. Я использую РР от отечественных автомобилей ВАЗ (классика). Выглядит он, как на фото. Имеет в обозначении цифры XXX.3702, где XXX – любые цифры, всегда разные, а 3702 – всегда одни и те-же. Имеет маркировку 67 и 15.
Подключается он просто. На "15" цепляешь синий провод который шел к "D",
на "67"-зеленый от "DF".Ну и не забудь привинтить "массу" !!! на металлическое основание р.р.
Прибор хорош тем, что стоит в разы дешевле родного, занимает меньше места и надёжнее, ибо электронный, а не механический (как родной Явский).
Так же можно подключать и РР серии ЯXXXА, но схема их подключения мне не известна, хотя тоже НЕ сложна.
2) Диодный мост. Диодные мосты я использую по подсказке Сектоида обычные, на 35 ампер. Они продаются практически в любом радиомагазине. Стоят опять же в РАЗЫ дешевле Явского родного, но и ещё и лучше, ибо не так греются, не сгорают, занимают меньше места… Представляют из себя 2 металлических квадрата с отверстием для крепления посредине. Почему 2? Потому-что в одном корпусе – 2 диода. А в Яве используется 3 диода, поэтому один всё время не подключён, и остаётся кАк запасной. Снизу выложу фотографию, сделанную Сектоидом, там нарисовано как их подключать. За 2 года эксплуатации они меня ни разу не подвели. Короче – отличные мосты. Можно ещё подключать автомобильные диодные мосты, но я не вижу в этом смысла, ибо они громоздкие, и корявые. Можно конечно выпаять из них диоды, и впаять в родной Явский корпус, но нахрена этот геморрой? Лучше купить один раз нормальные, и не парится.
можно использовать обычный 3-х фазный точно такой же диодный мост типа SQL30A 30А 1000В . В однофазной схеме диодного моста -4 диода, в 3-х фазном - 6!
3) Вот тут я не помощник. У меня родная хренька нормально работает.
4) Реле поворотов.
Реле поворотов от ВАЗ 2108 на Яву 12в.
контакт 49 - это +. (синий)
контакт 49а - это к переключателю (коричневый)
контакт 31 - это масса.
Ну тупо достоинства всё те-же… Дешевле, меньше, доступнее… И т.д. К родному масса не подводилась, к этому нужно будет провести ещё и массу. Фотки нет.
5) Лягушка включения стоп сигнала. В родном явском исполнении представляла из себя трос идущий от переднего и заднего тормоза к лягушке, которая крепилась возле воздухофильтра. Моя родная сдохла оч. Давно, и я себе сделал по другому. Купил микрик, срабатывающий на разжатие. К железяке, которая тянет трос заднего тормоза прикрепил металлическую пластинку. Она давит на кнопку микрика, тем самым включая и выключая стоп сигнал. Микрик приклеил к раме на поксипол. На него практически нет давления, и он никуда не оторвётся от рамы – проверено годами. Ну к контактам микрика припаял родные провода. Всё просто и всё надёжно работает, если сделать аккуратно…Достоинства : Хорошо выглядит, отлично работает, дёшего стоит… Недостатки: в отличие от родной лягушки, которая срабатывала от заднего и переднего тормоза, этот работает только при нажатии на педаль заднего тормоза…
Добавлены картинки подключения реле-регулятора, диодного моста и общая эл. схема.
- Вкладення
-
- электросхема.jpg (121.86 Кіб) Переглянуто 52248 разів
-
- diodniy_most.JPG (73.85 Кіб) Переглянуто 52247 разів
-
- PP.jpg (64.04 Кіб) Переглянуто 52247 разів
Вещи не такие, как кажутся на первый взгляд. Мы никогда не узнаем всего.
Каждый сам решает во что ему верить: в добро или зло.
Каждый сам решает во что ему верить: в добро или зло.
- Medved
- рокер
- Повідомлень: 254
- З нами з: 25 травня 2009, 11:57
- Мотоцикл: jawa638
- Звідки: Kiev
- Дякував (ла): 0
- Подякували: 0
- Контактна інформація:
Re: Аналоги электрооборудования Ява 12в.
Есть вариант использования реле-регулятора от ВАЗ 2108 со щеточным узлом 61.3702, а так же диодного моста (подковы) от того же авто.
Кто разбирается в электронике? помогите составить схему подключения.
Кто разбирается в электронике? помогите составить схему подключения.
Вещи не такие, как кажутся на первый взгляд. Мы никогда не узнаем всего.
Каждый сам решает во что ему верить: в добро или зло.
Каждый сам решает во что ему верить: в добро или зло.
- Vlad
- Старая гвардия
- Повідомлень: 952
- З нами з: 26 травня 2009, 14:59
- Мотоцикл: Yamaha XT660R
- Звідки: Черкассы
- Дякував (ла): 0
- Подякували: 0
- Контактна інформація:
Re: Аналоги электрооборудования Ява 12в.
диодный мост, реле поворотов, реле-регулятор, реле контрольной лампы...всё подходит от авто...
- Geser
- Гесератор-модератор
- Повідомлень: 2066
- З нами з: 31 травня 2009, 08:06
- Мотоцикл: Jawa 350 638 1988
- Звідки: Волиця - Київ - Бориспіль
- Дякував (ла): 0
- Подякували: 0
- Контактна інформація:
Re: Аналоги электрооборудования Ява 12в.
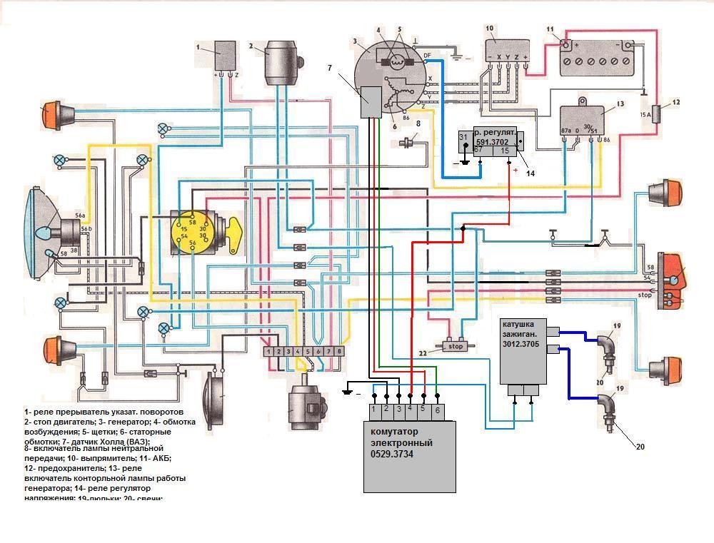
Есть такая электросхема, переделаная мной, в немного лучшем качестве и с внедрением ФУОЗа.


Востаннє редагувалось 10 листопада 2011, 19:19 користувачем Geser, всього редагувалось 1 раз.
Слава Україні!
-
- рокер
- Повідомлень: 248
- З нами з: 28 травня 2009, 08:32
- Мотоцикл: DNIpro-11
- Дякував (ла): 0
- Подякували: 0
- Контактна інформація:
Re: Аналоги электрооборудования Ява 12в.
Как варианты 
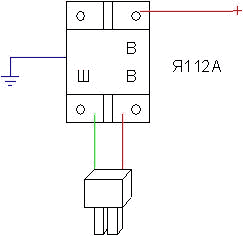
Лично себе хочю поставит Я112В (14в 5А) уже проверял на Днепру работает отлично

ВОПРОС: какой диодный мост поставить Явовский, Днепровский(подкова), с тракторного генератора (подкова)

Лично себе хочю поставит Я112В (14в 5А) уже проверял на Днепру работает отлично


ВОПРОС: какой диодный мост поставить Явовский, Днепровский(подкова), с тракторного генератора (подкова)

- Вкладення
-
- p03.gif (4.45 Кіб) Переглянуто 52222 разів
-
- p02.gif (2.47 Кіб) Переглянуто 52222 разів
-
- p01.gif (3.36 Кіб) Переглянуто 52221 раз
-
- рокер
- Повідомлень: 248
- З нами з: 28 травня 2009, 08:32
- Мотоцикл: DNIpro-11
- Дякував (ла): 0
- Подякували: 0
- Контактна інформація:
Re: Аналоги электрооборудования Ява 12в.
Реле регулятор можна зделать самому
С сайта www.fuoz-26.narod.ru
С сайта www.fuoz-26.narod.ru
- Вкладення
-
- rele.gif (7.19 Кіб) Переглянуто 52107 разів
-
- мож че и выростит
- Повідомлень: 54
- З нами з: 10 грудня 2011, 19:38
- Мотоцикл: JAWA 634
- Дякував (ла): 0
- Подякували: 0
- Контактна інформація:
Re: Аналоги электрооборудования Ява 12в.
подскажите от какого авто можно поставить реле зарядки,если кто ставил киньте схему.Заранее спасибо
-
- Старая гвардия
- Повідомлень: 2423
- З нами з: 01 березня 2012, 20:23
- Мотоцикл: ыыы
- Звідки: ыыы
- Дякував (ла): 0
- Подякували: 0
- Контактна інформація:
Re: Аналоги электрооборудования Ява 12в.
На 638ю ставил жабку, впереди срабатывает когда отжат рычаг (ручаги черные универсальные для 7/8 дюймового руля), для заднего закрепил с левой стороны на пружинке (на растяжение), стоимость 20-30 грн за одну. Никаких тросов, только пара проводов идет от рычага тормоза. Стоп срабатывает отдельно при нажатии на задний и передний рычаги.
- Geser
- Гесератор-модератор
- Повідомлень: 2066
- З нами з: 31 травня 2009, 08:06
- Мотоцикл: Jawa 350 638 1988
- Звідки: Волиця - Київ - Бориспіль
- Дякував (ла): 0
- Подякували: 0
- Контактна інформація:
Re: Аналоги электрооборудования Ява 12в.
На передок легко и просто устанавливается лягушка от Минска. Нужно нарезать резьбу М8 в кронштейне и кинуть два провода.
Слава Україні!
- Вова4ка
- рокер
- Повідомлень: 405
- З нами з: 19 листопада 2011, 20:30
- Мотоцикл: Jawa 638
- Звідки: Белозерск Донецкой обл.
- Дякував (ла): 0
- Подякували: 0
- Контактна інформація:
Re: Аналоги электрооборудования Ява 12в.
Так же от минска ставится и на задний тормоз вместо болта ограничителя,только нужно рассверлить отверстие.
- Geser
- Гесератор-модератор
- Повідомлень: 2066
- З нами з: 31 травня 2009, 08:06
- Мотоцикл: Jawa 350 638 1988
- Звідки: Волиця - Київ - Бориспіль
- Дякував (ла): 0
- Подякували: 0
- Контактна інформація:
Re: Аналоги электрооборудования Ява 12в.
Вот почему-то лично меня никогда не привлекали провода к лягушке заднего тормоза около крепления троса к рычагу. Но идея с Минским понравилась.
А эта "восьмерка" уже задолбала гнуться.
А эта "восьмерка" уже задолбала гнуться.
Слава Україні!
-
- мож че и выростит
- Повідомлень: 54
- З нами з: 10 грудня 2011, 19:38
- Мотоцикл: JAWA 634
- Дякував (ла): 0
- Подякували: 0
- Контактна інформація:
- Aleks1978
- Старая гвардия
- Повідомлень: 4206
- З нами з: 15 вересня 2009, 17:56
- Мотоцикл: 350/634
- Звідки: Харківська область,Борівщіна
- Дякував (ла): 2 рази
- Подякували: 0
- Контактна інформація:
Re: Аналоги электрооборудования Ява 12в.
ещё с 12v ижа=1:1. и на 634 якорь ставитца кажись без доп. работ.
095 02 63 867юмс і 063 624 72 60 лайф (вайбер і телеграм)[/color] Саня.
Держи и ум,и душу в чистоте.Тогда и процветание будет мудрым.
Держи и ум,и душу в чистоте.Тогда и процветание будет мудрым.
- cara
- мож че и выростит
- Повідомлень: 121
- З нами з: 10 червня 2012, 09:18
- Мотоцикл: Jawa 638-0 1987г.
- Звідки: Кировоградская обл.
- Дякував (ла): 0
- Подякували: 0
- Контактна інформація:
Re: Аналоги электрооборудования Ява 12в.
А щеткодержателей (на 638) подходящих нет ???
Может с небольшими доработками какой то подойдёт ???
Может с небольшими доработками какой то подойдёт ???
- Vitaha_N
- Старая гвардия
- Повідомлень: 1612
- З нами з: 05 січня 2011, 21:05
- Мотоцикл: Jawa, Suzuki
- Звідки: Кривой Рог
- Дякував (ла): 0
- Подякували: 0
- Контактна інформація:
Re: Аналоги электрооборудования Ява 12в.
В сборе - вряд ли, а щетки меняются без проблем на любые подходящего сечения
- cara
- мож че и выростит
- Повідомлень: 121
- З нами з: 10 червня 2012, 09:18
- Мотоцикл: Jawa 638-0 1987г.
- Звідки: Кировоградская обл.
- Дякував (ла): 0
- Подякували: 0
- Контактна інформація:
Re: Аналоги электрооборудования Ява 12в.
А если больше можно подпилитьVitaha_N писав:В сборе - вряд ли, а щетки меняются без проблем на любые подходящего сечения


-
- мелко рокер
- Повідомлень: 24
- З нами з: 07 червня 2012, 17:22
- Мотоцикл: ява 350 638
- Звідки: Около 90 км от Чернигова
- Дякував (ла): 0
- Подякували: 0
- Контактна інформація:
Re: Аналоги электрооборудования Ява 12в.
Я последовал совету medveda: когда пропала зарядка, виноватым оказалось реле зарядки - поставил с ВАЗ 2108 всё пашет, потом поставил реле поворотов с того же авто, так как его вообще не было на моте, подключил - всё вроде бы работает, но как оказалось работает на не заведенном моторе, тоесть когда просто включено зажигание, а на ходу повороты просто светятся, в чем проблема не знаю.
-
- Старая гвардия
- Повідомлень: 2423
- З нами з: 01 березня 2012, 20:23
- Мотоцикл: ыыы
- Звідки: ыыы
- Дякував (ла): 0
- Подякували: 0
- Контактна інформація:
Re: Аналоги электрооборудования Ява 12в.
Реле подключал (клемы уже не помню) вход, выход, масса и лампы в поворотах 21+21+3 Вт?
- alexey
- мож че и выростит
- Повідомлень: 112
- З нами з: 09 липня 2011, 11:24
- Мотоцикл: Ява 350/638
- Звідки: Россия г. Астрахань
- Дякував (ла): 0
- Подякували: 0
- Контактна інформація:
Re: Аналоги электрооборудования Ява 12в.
Ребят я по поводу этих диодных мостов ,а Радиатора там разве не должно быть??? они же будут греться наверное
- vlymar
- Старая гвардия
- Повідомлень: 1071
- З нами з: 09 червня 2009, 05:52
- Мотоцикл: JAWA 350/634 => YAMAHA FZ6S
- Звідки: Черкаси
- Дякував (ла): 0
- Подякували: 0
- Контактна інформація:
Re: Аналоги электрооборудования Ява 12в.
Я диоды посадил на компьютерный радиатор с термопастой, но думаю этого можно было и не делать, они не греются.alexey писав:Ребят я по поводу этих диодных мостов ,а Радиатора там разве не должно быть??? они же будут греться наверное
-
- ньюб
- Повідомлень: 2
- З нами з: 24 січня 2013, 16:44
- Мотоцикл: Jawa 638
- Дякував (ла): 0
- Подякували: 0
- Контактна інформація:
Re: Аналоги электрооборудования Ява 12в.
а зачем нужно два 3-х фазного моста,и если есть,то киньте уже проверенную схему подключения РР с цифрами 67 15 и 31.
а то я прочитал,мне электрик знакомый сказал что что-то не будет работать,у меня МПБСЗ.)
ответьте пожалуйста.
а то я прочитал,мне электрик знакомый сказал что что-то не будет работать,у меня МПБСЗ.)
ответьте пожалуйста.
- Вкладення
- archer
- И так сойдет
- Повідомлень: 2093
- З нами з: 25 травня 2009, 11:13
- Мотоцикл: Suzuki GS 500F => DR650r => KTM 690 Enduro R
- Звідки: Киев
- Дякував (ла): 0
- Подякували: 0
- Контактна інформація:
Re: Аналоги электрооборудования Ява 12в.
Данная схема актуальна для ижаковского генератора, где не выведен провод центра звезды, для того чтобы тухла лампочка зарядки. Что такое МПБСЗ?
И так сойдет
-
- мелко рокер
- Повідомлень: 27
- З нами з: 12 листопада 2012, 08:54
- Мотоцикл: Иж ПС,ЯВА
- Звідки: Ахтырка
- Дякував (ла): 0
- Подякували: 0
- Контактна інформація:
-
- ньюб
- Повідомлень: 2
- З нами з: 24 січня 2013, 16:44
- Мотоцикл: Jawa 638
- Дякував (ла): 0
- Подякували: 0
- Контактна інформація:
Re: Аналоги электрооборудования Ява 12в.
Микропроцессорная система зажигания.
а на яву 638 люксовку есть схемка.?
только желательно проверенная.
а на яву 638 люксовку есть схемка.?
только желательно проверенная.
Хто зараз онлайн
Користувачі, які зараз переглядають цей форум: Немає зареєстрованих користувачів