Индикатор работы генератора (модернизация)
- Человек
- Рокер по кафе рейсер
- Повідомлень: 2377
- З нами з: 25 травня 2009, 06:49
- Мотоцикл: Jawa-250, RF-400rt
- Звідки: Київ
- Дякував (ла): 0
- Подякували: 0
- Контактна інформація:
Индикатор работы генератора (модернизация)
Как считаете стоит ли модернизировать работу индикатора (красная лампочка).
Например в таком режиме,
- если напряжение на борту больше 14 вольт, частые вспышки контрольной лампы;
- ниже 12 вольт - редкие вспышки контрольной;
- ниже 10 вольт - или если генератор не выдает напряжение лампа просто горит.
Если стоит то как это сделать, так что бы устройство было простым надежным и отказоустойчивым, не сгорело при перенапряжении.
Особенно оценят дальнобои, моя япономать информацию о перенапряжении об этом никак не сообщает. (перенапряжение бывает при выходе из строя реле-регулятора)
Например в таком режиме,
- если напряжение на борту больше 14 вольт, частые вспышки контрольной лампы;
- ниже 12 вольт - редкие вспышки контрольной;
- ниже 10 вольт - или если генератор не выдает напряжение лампа просто горит.
Если стоит то как это сделать, так что бы устройство было простым надежным и отказоустойчивым, не сгорело при перенапряжении.
Особенно оценят дальнобои, моя япономать информацию о перенапряжении об этом никак не сообщает. (перенапряжение бывает при выходе из строя реле-регулятора)
Востаннє редагувалось 12 листопада 2009, 09:53 користувачем Человек, всього редагувалось 1 раз.
- Carbon13
- Старая гвардия
- Повідомлень: 741
- З нами з: 28 травня 2009, 19:11
- Мотоцикл: JAWA
- Дякував (ла): 0
- Подякували: 0
- Контактна інформація:
Re: Индикатор работы генератора (модернизация)
Да ну вспышки будут только раздражать, ставь такой индикатор как у Кисели.
И дешевле и проще.
Или дерзайте сэр.

Взято с сайта dessy.ru
И дешевле и проще.
Или дерзайте сэр.
Блок индикации - автомобильный вольтметр "светящийся столб"
Блок представляет собой универсальный линейный индикатор напряжения. Сигнал индицируется светодиодной шкалой из 12 светодиодов, загорающихся последовательно в зависимости от входного напряжения. Индикатор может найти применение в устройствах автомобильной электроники, контрольно-измерительной и в звуковой технике.
Технические характеристики
Напряжение питания: 9…18 В.
Ток потребления, не более: 40 мА.
Диапазон входных напряжений: 0…4 В.
Размер печатной платы: 75х25 мм.


Взято с сайта dessy.ru
- Человек
- Рокер по кафе рейсер
- Повідомлень: 2377
- З нами з: 25 травня 2009, 06:49
- Мотоцикл: Jawa-250, RF-400rt
- Звідки: Київ
- Дякував (ла): 0
- Подякували: 0
- Контактна інформація:
Re: Индикатор работы генератора (модернизация)
Какие вспышки будут раздражать, частые или редкие ? Дело в том что вариант со вспышками позволит не менять панель с приборами, подойдет на любой мотоцикл 12 вольтовый. Да и моргать будет только когда параметры вышли за пределы нормы.Carbon13 писав:Да ну вспышки будут только раздражать, ставь такой индикатор как у Кисели.
И дешевле и проще.
Какой индикатор у Киселы ? Просто измеритель напряжения ?
- Carbon13
- Старая гвардия
- Повідомлень: 741
- З нами з: 28 травня 2009, 19:11
- Мотоцикл: JAWA
- Дякував (ла): 0
- Подякували: 0
- Контактна інформація:
Re: Индикатор работы генератора (модернизация)
вроде ж был у его а на его фотах невижу, ладно короче он такого плана как на этом сайте вольтметр, стоимость 25 гр.
http://www.ayro.zp.ua/products_devices.php
http://www.ayro.zp.ua/products_devices.php
Востаннє редагувалось 16 червня 2009, 11:17 користувачем Carbon13, всього редагувалось 1 раз.
- Человек
- Рокер по кафе рейсер
- Повідомлень: 2377
- З нами з: 25 травня 2009, 06:49
- Мотоцикл: Jawa-250, RF-400rt
- Звідки: Київ
- Дякував (ла): 0
- Подякували: 0
- Контактна інформація:
Re: Индикатор работы генератора (модернизация)
Это ты привел вариант попроще ?Carbon13 писав: Или дерзайте сэр.
Блок представляет собой универсальный линейный индикатор напряжения. Сигнал индицируется светодиодной шкалой из 12 светодиодов, загорающихся последовательно в зависимости от входного напряжения.

Востаннє редагувалось 16 червня 2009, 11:21 користувачем Человек, всього редагувалось 2 разів.
- Carbon13
- Старая гвардия
- Повідомлень: 741
- З нами з: 28 травня 2009, 19:11
- Мотоцикл: JAWA
- Дякував (ла): 0
- Подякували: 0
- Контактна інформація:
Re: Индикатор работы генератора (модернизация)
неа проще купить я хотел сказать, а так я просто предложил пострадать. 

- Vlad
- Старая гвардия
- Повідомлень: 952
- З нами з: 26 травня 2009, 14:59
- Мотоцикл: Yamaha XT660R
- Звідки: Черкассы
- Дякував (ла): 0
- Подякували: 0
- Контактна інформація:
Re: Индикатор работы генератора (модернизация)
Классная штука. Попробуешь раз и без вольтметра всёравно что без спидометра ездить
Привык очень к нему. Всегда в курсе состояния АКБ + функция тахометра

- Вкладення
-
- 11052009(067).jpg (254.99 Кіб) Переглянуто 10356 разів
- Carbon13
- Старая гвардия
- Повідомлень: 741
- З нами з: 28 травня 2009, 19:11
- Мотоцикл: JAWA
- Дякував (ла): 0
- Подякували: 0
- Контактна інформація:
Re: Индикатор работы генератора (модернизация)
ага я на такой давл ссылку цена 25 или 30 я просто непомнбю сколько там в прайсе да и мозг сношать нужно только для того что б место ему придумать.
- Romantikos
- уважаемый
- Повідомлень: 617
- З нами з: 01 серпня 2009, 21:50
- Мотоцикл: Jawa 360
- Звідки: Киевская обл.
- Дякував (ла): 0
- Подякували: 0
- Контактна інформація:
Re: Индикатор работы генератора (модернизация)
у меня индикатор напряжения с шести диодов:от менее11.6 до более 14.8В,теперь хоть удобней знать какие обороты сос светом надо и когда подзарядить надо акам)
- Romantikos
- уважаемый
- Повідомлень: 617
- З нами з: 01 серпня 2009, 21:50
- Мотоцикл: Jawa 360
- Звідки: Киевская обл.
- Дякував (ла): 0
- Подякували: 0
- Контактна інформація:
Re: Индикатор работы генератора (модернизация)
удобно)
- Вкладення
-
- 09112009(008).jpg (23.87 Кіб) Переглянуто 9886 разів
- tyshkan333
- рокер
- Повідомлень: 347
- З нами з: 29 травня 2009, 17:46
- Мотоцикл: ява-350 634
- Звідки: Херсон
- Дякував (ла): 0
- Подякували: 0
- Контактна інформація:
Re: Индикатор работы генератора (модернизация)
сегодня поставил. хорошая вещь.Vlad писав:Классная штука. Попробуешь раз и без вольтметра всёравно что без спидометра ездитьПривык очень к нему. Всегда в курсе состояния АКБ + функция тахометра
машина возит тело,а мотоцикл душу.
- Человек
- Рокер по кафе рейсер
- Повідомлень: 2377
- З нами з: 25 травня 2009, 06:49
- Мотоцикл: Jawa-250, RF-400rt
- Звідки: Київ
- Дякував (ла): 0
- Подякували: 0
- Контактна інформація:
Re: Индикатор работы генератора (модернизация)
Внешний индикатор очень хорош и нагляден !
При чем ставится легко и быстро. хорошее решение.
Я в первом письме о таком устройстве которое не будет изменять оригинальный внешний вид мотоцикла. Для любителей первозданного вида.
Там просто меняется логика моргания лампочки.
При чем ставится легко и быстро. хорошее решение.
Я в первом письме о таком устройстве которое не будет изменять оригинальный внешний вид мотоцикла. Для любителей первозданного вида.
Там просто меняется логика моргания лампочки.
- velja
- рокер
- Повідомлень: 437
- З нами з: 10 жовтня 2009, 07:03
- Мотоцикл: временно безлошадный
- Звідки: Мариуполь
- Дякував (ла): 0
- Подякували: 0
- Контактна інформація:
Re: Индикатор работы генератора (модернизация)
Хочу примастырить такой датчик на свою 6в. глянь по паспорту, это можно сделать?tyshkan333 писав: сегодня поставил. хорошая вещь.
- Человек
- Рокер по кафе рейсер
- Повідомлень: 2377
- З нами з: 25 травня 2009, 06:49
- Мотоцикл: Jawa-250, RF-400rt
- Звідки: Київ
- Дякував (ла): 0
- Подякували: 0
- Контактна інформація:
Re: Индикатор работы генератора (модернизация)
Без переделки никак не примастырить, он будет всегда показывать напряжение ниже 9 вольт.velja писав: Хочу примастырить такой датчик на свою 6в. глянь по паспорту, это можно сделать?
Вопрос для обдумывания - переживает ли данный индикатор ситуацию когда вас в дороге застанет дождь ?
- Никòла
- los Relajados
- Повідомлень: 3188
- З нами з: 07 серпня 2009, 10:19
- Мотоцикл: 350-638-1-03
- Звідки: Днепропетровск
- Дякував (ла): 0
- Подякували: 0
- Контактна інформація:
Re: Индикатор работы генератора (модернизация)
Использовал такую приспособу.
Стояла на левом пульте под зеркалом.
Дождь средней интенсивности переживала не раз, но однажды обдало потоком воды от встречного грузовика и пришел ей конец (не реагировала на внешнее воздействие, лишь слабо горел первый светодиод). Пришлось снять.
сейчас ищу нечто похожее но более компактное и видом благородней ,- как то видел на авторынке, но протупил и не купил
Стояла на левом пульте под зеркалом.
Дождь средней интенсивности переживала не раз, но однажды обдало потоком воды от встречного грузовика и пришел ей конец (не реагировала на внешнее воздействие, лишь слабо горел первый светодиод). Пришлось снять.
сейчас ищу нечто похожее но более компактное и видом благородней ,- как то видел на авторынке, но протупил и не купил

- Человек
- Рокер по кафе рейсер
- Повідомлень: 2377
- З нами з: 25 травня 2009, 06:49
- Мотоцикл: Jawa-250, RF-400rt
- Звідки: Київ
- Дякував (ла): 0
- Подякували: 0
- Контактна інформація:
Re: Индикатор работы генератора (модернизация)
Для защиты от влаги можно устройство чуть под открутить и залить все стыки вводы проводов, дырки в которые вставлены светодиоды - силиконом, аккуратно, пока силикон не застыл собрать.
Силикон загерметизирует все отверстия.
Силикон загерметизирует все отверстия.
- vlymar
- Старая гвардия
- Повідомлень: 1071
- З нами з: 09 червня 2009, 05:52
- Мотоцикл: JAWA 350/634 => YAMAHA FZ6S
- Звідки: Черкаси
- Дякував (ла): 0
- Подякували: 0
- Контактна інформація:
Re: Индикатор работы генератора (модернизация)
+1 Vlad
- Вкладення
-
- IMG_0292.jpg (68.1 Кіб) Переглянуто 9680 разів
-
- IMG_0285.jpg (30.71 Кіб) Переглянуто 9680 разів
- Vlad
- Старая гвардия
- Повідомлень: 952
- З нами з: 26 травня 2009, 14:59
- Мотоцикл: Yamaha XT660R
- Звідки: Черкассы
- Дякував (ла): 0
- Подякували: 0
- Контактна інформація:
Re: Индикатор работы генератора (модернизация)
Что тут думать..Человек писав: Вопрос для обдумывания - переживает ли данный индикатор ситуацию когда вас в дороге застанет дождь ?

поймать..не потерял.. в таком виде проехал почти всю дорогу..
Пол пути он работал исправно...потом начал глючить, появлялись всякие левые цыфры..в самом конце вообще потух. Думал сдох..Приехал..поставил мотик в гараж. Через пару дней приехал в гараж на удивление девайс ожил и продолжает исправно работать, приклеил супер клеем крышку и катаюсь дальше

Живучий однако )
- velja
- рокер
- Повідомлень: 437
- З нами з: 10 жовтня 2009, 07:03
- Мотоцикл: временно безлошадный
- Звідки: Мариуполь
- Дякував (ла): 0
- Подякували: 0
- Контактна інформація:
Re: Индикатор работы генератора (модернизация)
Я имел ввиду цифровой датчик, а не светодиодный.Человек писав:Без переделки никак не примастырить, он будет всегда показывать напряжение ниже 9 вольт.
- Geser
- Гесератор-модератор
- Повідомлень: 2066
- З нами з: 31 травня 2009, 08:06
- Мотоцикл: Jawa 350 638 1988
- Звідки: Волиця - Київ - Бориспіль
- Дякував (ла): 0
- Подякували: 0
- Контактна інформація:
Re: Индикатор работы генератора (модернизация)
Как думаете, для светодиодного индикатора сколько делений хватило бы? И с какими значениями напряжения?
Слава Україні!
-
- Старая гвардия
- Повідомлень: 1218
- З нами з: 04 лютого 2010, 11:09
- Мотоцикл: -----------
- Дякував (ла): 0
- Подякували: 0
- Контактна інформація:
Re: Индикатор работы генератора (модернизация)
Для 12В оборудования есть очень простой индикатор напряжения на трех светодиодах. Называется ИНА-1, еще советских времен. Корпус у меня не сохранился, он выполнен в виде вилки, втыкаемой в прикуриватель.
Ссылка на видео, на котром видны пороги зажигания светодиодов. При желании можно применить СД других цветов. http://www.youtube.com/watch?v=Cp8mgUW5qJc
А тут есть описание, и снятые мной характеристики. http://pro-radio.ru/docs/9284/
Ссылка на видео, на котром видны пороги зажигания светодиодов. При желании можно применить СД других цветов. http://www.youtube.com/watch?v=Cp8mgUW5qJc
А тут есть описание, и снятые мной характеристики. http://pro-radio.ru/docs/9284/
- Вкладення
-
- Схема индикатора
- Схема.GIF (10.35 Кіб) Переглянуто 7988 разів
-
- Рисунок печатной платы. Вид со стороны элементов.
- Plata_IHA_300dpi.GIF (3.96 Кіб) Переглянуто 7988 разів
- Вованыч
- Старая гвардия
- Повідомлень: 1788
- З нами з: 10 липня 2009, 16:21
- Мотоцикл: JAWA 350/638 and AUTHOR SOLUTION and AUTHOR IMPULSE
- Звідки: Odessa
- Дякував (ла): 0
- Подякували: 0
- Контактна інформація:
Re: Индикатор работы генератора (модернизация)
Можно такой куда нибудь прицепить,хоть под сиденье,на постоянно его подключить и пускай себе светится.
http://www.digitop.com.ua/item/VM-14.1.cms
можно индикаторы отдельно встроить.
Вот готовое решение- http://sportseason.ru/product_info.php? ... 87826ec0af
http://www.digitop.com.ua/item/VM-14.1.cms
можно индикаторы отдельно встроить.
Вот готовое решение- http://sportseason.ru/product_info.php? ... 87826ec0af
-
- рокер
- Повідомлень: 248
- З нами з: 28 травня 2009, 08:32
- Мотоцикл: DNIpro-11
- Дякував (ла): 0
- Подякували: 0
- Контактна інформація:
Re: Индикатор работы генератора (модернизация)
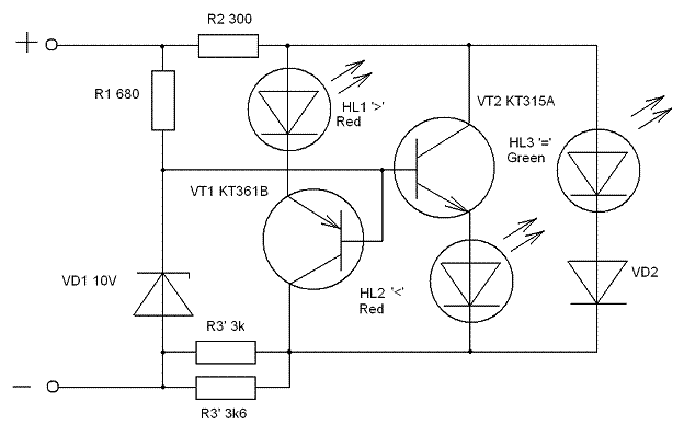
Уж около 5сезонов (5лет) стои у меня прибор с треммя светоиодами
красный1- малое напряжение (мение 12в) генератор не работает
зелёный2- всё в норм (12-14в)
красный3- хреново (реле пипец) (болие 14в)
Как оказалосч вчера схема таже что предложыл UBAH (только стабилитрон VD1-12v)
РЕкомендую ету схему
она довольно проста, отлично работаер
можна заменить:
VT1-KT3117? 2N2221
VT2-2N2222A
VD1 на совё усмотрение посли етого порога зжотса зелёная (в данной схеме 10вольт)
R1- отвечает за яркость свечения св.диодов (680Ом) хотите ярче ставим (1к)
Кто соберёт выкладывае фото!!! И КОМЕНТАРИИ!!!
Стоимость деталей <=10гривен!!!

красный1- малое напряжение (мение 12в) генератор не работает
зелёный2- всё в норм (12-14в)

красный3- хреново (реле пипец) (болие 14в)
Как оказалосч вчера схема таже что предложыл UBAH (только стабилитрон VD1-12v)
РЕкомендую ету схему

она довольно проста, отлично работаер
можна заменить:
VT1-KT3117? 2N2221

VT2-2N2222A

VD1 на совё усмотрение посли етого порога зжотса зелёная (в данной схеме 10вольт)
R1- отвечает за яркость свечения св.диодов (680Ом) хотите ярче ставим (1к)
Кто соберёт выкладывае фото!!! И КОМЕНТАРИИ!!!
Стоимость деталей <=10гривен!!!


-
- Старая гвардия
- Повідомлень: 1218
- З нами з: 04 лютого 2010, 11:09
- Мотоцикл: -----------
- Дякував (ла): 0
- Подякували: 0
- Контактна інформація:
Re: Индикатор работы генератора (модернизация)
maxxxims, мне было проще замерять напряжение на стабилитроне, чем искать его в справочнике, что и было сделано. Я бы сказал стоимость меньше 3грн (старых элементов можно надрать с негодной аппаратуры, а что нехватает - докупить).
Хто зараз онлайн
Користувачі, які зараз переглядають цей форум: Немає зареєстрованих користувачів