Переделка в светодиодный стоп сигнал вместо лампочки
- Человек
- Рокер по кафе рейсер
- Повідомлень: 2377
- З нами з: 25 травня 2009, 06:49
- Мотоцикл: Jawa-250, RF-400rt
- Звідки: Київ
- Дякував (ла): 0
- Подякували: 0
- Контактна інформація:
Переделка в светодиодный стоп сигнал вместо лампочки
Стоит не стоит ?
Из плюсов: зажигается на 0,3..0,5 секунды быстрее, активная безопасность, если не будет перенапряжения в бортовой сети не сгорит до конца срока эксплуатации,
-актуально для мотоциклов с маломощным генератором, меньше потребляет электроэнергии.
Из минусов: необходимо городить защиту от перенапряжения, потратить кучу времени на переделку стоп сигнала.
Из плюсов: зажигается на 0,3..0,5 секунды быстрее, активная безопасность, если не будет перенапряжения в бортовой сети не сгорит до конца срока эксплуатации,
-актуально для мотоциклов с маломощным генератором, меньше потребляет электроэнергии.
Из минусов: необходимо городить защиту от перенапряжения, потратить кучу времени на переделку стоп сигнала.
- Carbon13
- Старая гвардия
- Повідомлень: 741
- З нами з: 28 травня 2009, 19:11
- Мотоцикл: JAWA
- Дякував (ла): 0
- Подякували: 0
- Контактна інформація:
Re: Переделка в светодиодный стоп сигнал вместо лампочки
а нафига стоко геморится, нк проще ли купить готовую лампочку на кардачах?
http://moto.kiev.ua/journals/1231540602186
очень полезно
http://www.sohan.com.ua/content/view/24/1/
http://moto.kiev.ua/journals/1231540602186
очень полезно
http://www.sohan.com.ua/content/view/24/1/
Востаннє редагувалось 16 червня 2009, 12:20 користувачем Carbon13, всього редагувалось 1 раз.
- Человек
- Рокер по кафе рейсер
- Повідомлень: 2377
- З нами з: 25 травня 2009, 06:49
- Мотоцикл: Jawa-250, RF-400rt
- Звідки: Київ
- Дякував (ла): 0
- Подякували: 0
- Контактна інформація:
Re: Переделка в светодиодный стоп сигнал вместо лампочки
Лампочка даст такой же световой поток как и штатная лампа стоп сигнала ?Carbon13 писав:а нафига стоко геморится, нк проще ли купить готовую лампочку на кардачах?
Приведи характеристики ?
- Carbon13
- Старая гвардия
- Повідомлень: 741
- З нами з: 28 травня 2009, 19:11
- Мотоцикл: JAWA
- Дякував (ла): 0
- Подякували: 0
- Контактна інформація:
Re: Переделка в светодиодный стоп сигнал вместо лампочки
выше привел, просто когда редактировал то ты создал свой пост. 

- Человек
- Рокер по кафе рейсер
- Повідомлень: 2377
- З нами з: 25 травня 2009, 06:49
- Мотоцикл: Jawa-250, RF-400rt
- Звідки: Київ
- Дякував (ла): 0
- Подякували: 0
- Контактна інформація:
Re: Переделка в светодиодный стоп сигнал вместо лампочки
Укажи точнее где в приведенной ссылке сравнение яркости ?Carbon13 писав:выше привел, просто когда редактировал то ты создал свой пост.
Че то мне кажется что светодиодная лампа будет менее яркая.
- Carbon13
- Старая гвардия
- Повідомлень: 741
- З нами з: 28 травня 2009, 19:11
- Мотоцикл: JAWA
- Дякував (ла): 0
- Подякували: 0
- Контактна інформація:
Re: Переделка в светодиодный стоп сигнал вместо лампочки
http://avtosled.ru/content/view/95/31/краткие характеристики некоторых:
-высокая светоотдача (Lumens per Watt) — 25–30 лм/Вт;
-время минимальной наработки на отказ — не менее 100000 часов;
-рассеиваемая мощность — 100 мВт на лампу;
-не требуются светофильтры;
-допускается использование автоматизированной сборки по технологии поверхностного монтажа.
http://www.leds.ru/LEDlamp.doc.Светодиод или нить накаливания? Что ярче? Что лучше?
Каждый источник света имеет определенные характеристики которые имеют преимущества в определенных приложениях. Традиционное использование такой характеристики светового излучения, как люмен/ватт характеризующей выход света от приложенной электрической мощности не совсем правильно отражает эффективность светодиодных ламп. Светодиоды являются узконаправленным источником излучения и являясь твердотельным источником излучения превращают практически всю приложенную энергию в свет с определенным спектром.
Сравним например лампу накаливания с красным светофильтром и красную светодиодную лампу. Светодиодная лампа эффективней в 10 раз из-за того что 90 процентов излучаемого света лампой накаливания задерживаются красным светофильтром, а свет излучаемый светодиодной лампой уже является монохроматическим и не требует фильтрации. Более того, свыше 80-90% электрической мощности приложенной к лампе накаливания уходит на нагрев нити накаливания для достижения нужной цветовой температуры (шкала Кельвина) (см. Figure R и R.1).
Для более точного определения актуальности замены ламп накаливания светодиодными нужно определить следующее: область применения, яркость, цвет и насыщенность излучения.
интерестно
http://www.opel-club.com.ua/forum/index ... opic=43307
прайсег
http://avtolampy.com.ua/
очень неплохой магазин
http://www.ledlamp.com.ua/catalog/index ... TION_ID=62
собственно что нашел

- Человек
- Рокер по кафе рейсер
- Повідомлень: 2377
- З нами з: 25 травня 2009, 06:49
- Мотоцикл: Jawa-250, RF-400rt
- Звідки: Київ
- Дякував (ла): 0
- Подякували: 0
- Контактна інформація:
Re: Переделка в светодиодный стоп сигнал вместо лампочки
Для оценки нужна еще светоотдача лампы,есть ли эти параметры?Carbon13 писав:краткие характеристики некоторых:
-высокая светоотдача (Lumens per Watt) — 25–30 лм/Вт;
-время минимальной наработки на отказ — не менее 100000 часов;
-рассеиваемая мощность — 100 мВт на лампу;
-не требуются светофильтры;
http://avtosled.ru/content/view/95/31/
- sadam
- Старая гвардия
- Повідомлень: 1696
- З нами з: 23 травня 2009, 19:20
- Мотоцикл: JBW-125; Kawasaki ZX-6
- Звідки: Киев, Дарницкий р-н
- Дякував (ла): 0
- Подякували: 0
- Контактна інформація:
Re: Переделка в светодиодный стоп сигнал вместо лампочки
те лампы которые продают на авторынках по 35грн - тюфта полная, купил себе по незнанию. За 35грн можно класных светиков купить и собрать норм лампочку.
- М@лёК
- мож че и выростит
- Повідомлень: 92
- З нами з: 03 червня 2009, 16:30
- Мотоцикл: Jawa 350/360
- Звідки: Сумы
- Дякував (ла): 0
- Подякували: 0
- Контактна інформація:
Re: Переделка в светодиодный стоп сигнал вместо лампочки
Читал ето: http://jawaold.su/main.php?sec=__gar&page=electro-diody ????
0669124257


- Carbon13
- Старая гвардия
- Повідомлень: 741
- З нами з: 28 травня 2009, 19:11
- Мотоцикл: JAWA
- Дякував (ла): 0
- Подякували: 0
- Контактна інформація:
Re: Переделка в светодиодный стоп сигнал вместо лампочки
А ведь вроде у Авиора светодиодный? Может он нам что-то подскажет?
-
- ньюб
- Повідомлень: 8
- З нами з: 02 червня 2009, 08:26
- Мотоцикл: JAWA 638
- Звідки: Киевская область г.Обухов
- Дякував (ла): 0
- Подякували: 0
- Контактна інформація:
Re: Переделка в светодиодный стоп сигнал вместо лампочки
Прошу меня простить за поднятие старой темы...
Я несколько лет назад переделал себе стоп на светодиодный. Все обошлось очень дешево и времени много не заняло. Еще я добавил светодиоды в габарит и в повороты. Могу сказать что в стопе 12 светодиодов вполне достаточно а в повороты нужно по больше так как яркость желтых светодиодов не много ниже чем у красных. Если есть вопросы спрашивайте...
Я несколько лет назад переделал себе стоп на светодиодный. Все обошлось очень дешево и времени много не заняло. Еще я добавил светодиоды в габарит и в повороты. Могу сказать что в стопе 12 светодиодов вполне достаточно а в повороты нужно по больше так как яркость желтых светодиодов не много ниже чем у красных. Если есть вопросы спрашивайте...
- Вкладення
-
- IMG_5405.jpg (148.24 Кіб) Переглянуто 11851 раз
-
- IMG_5392.JPG (31.59 Кіб) Переглянуто 11851 раз
-
- IMG_5389.JPG (50.44 Кіб) Переглянуто 11851 раз
- sadam
- Старая гвардия
- Повідомлень: 1696
- З нами з: 23 травня 2009, 19:20
- Мотоцикл: JBW-125; Kawasaki ZX-6
- Звідки: Киев, Дарницкий р-н
- Дякував (ла): 0
- Подякували: 0
- Контактна інформація:
Re: Переделка в светодиодный стоп сигнал вместо лампочки
продуманная конструкция - на каждой плате свой стабилизатор напряжения.
- Carbon13
- Старая гвардия
- Повідомлень: 741
- З нами з: 28 травня 2009, 19:11
- Мотоцикл: JAWA
- Дякував (ла): 0
- Подякували: 0
- Контактна інформація:
Re: Переделка в светодиодный стоп сигнал вместо лампочки
Неплохо получилось, фото того как светят в стекле можно?Sanek писав:Прошу меня простить за поднятие старой темы...
Я несколько лет назад переделал себе стоп на светодиодный. Все обошлось очень дешево и времени много не заняло. Еще я добавил светодиоды в габарит и в повороты. Могу сказать что в стопе 12 светодиодов вполне достаточно а в повороты нужно по больше так как яркость желтых светодиодов не много ниже чем у красных. Если есть вопросы спрашивайте...
- Человек
- Рокер по кафе рейсер
- Повідомлень: 2377
- З нами з: 25 травня 2009, 06:49
- Мотоцикл: Jawa-250, RF-400rt
- Звідки: Київ
- Дякував (ла): 0
- Подякували: 0
- Контактна інформація:
Re: Переделка в светодиодный стоп сигнал вместо лампочки
Хороший наглядный пример !Sanek писав:
Я несколько лет назад переделал себе стоп на светодиодный. Все обошлось очень дешево и времени много не заняло.
....
Если есть вопросы спрашивайте...
Если не секрет , выложи схему. Что бы желающие повторить могли это сделать

-
- ньюб
- Повідомлень: 8
- З нами з: 02 червня 2009, 08:26
- Мотоцикл: JAWA 638
- Звідки: Киевская область г.Обухов
- Дякував (ла): 0
- Подякували: 0
- Контактна інформація:
Re: Переделка в светодиодный стоп сигнал вместо лампочки
Вот две ссылки, все делалось по схемам приведенных в этих статьях. Единственное что было добавлено это по одному диоду включенному последовательно с цепью питания для защиты схемы
http://www.motoizh.ru/modules.php?name= ... le&sid=600
http://www.motoizh.ru/modules.php?name= ... le&sid=693
К сожалению разводку печатных плат не смог найти.
Если есть вопросы, задавайте.
http://www.motoizh.ru/modules.php?name= ... le&sid=600
http://www.motoizh.ru/modules.php?name= ... le&sid=693
К сожалению разводку печатных плат не смог найти.
Если есть вопросы, задавайте.
- Carbon13
- Старая гвардия
- Повідомлень: 741
- З нами з: 28 травня 2009, 19:11
- Мотоцикл: JAWA
- Дякував (ла): 0
- Подякували: 0
- Контактна інформація:
Re: Переделка в светодиодный стоп сигнал вместо лампочки
и на том большое спасибо за ссылку, главное свои повороты со стеклом и без я уже представляю




- Dimler
- рокер
- Повідомлень: 382
- З нами з: 26 травня 2009, 10:11
- Мотоцикл: Cezet 472,6=>Honda CB400SF
- Звідки: Конотоп
- Дякував (ла): 0
- Подякували: 0
- Контактна інформація:
Re: Переделка в светодиодный стоп сигнал вместо лампочки
господа хорошие и шарящие в данном вопросе, помогите купить необходимых светодиодов.
В городе у нас таких нету, а ехать спецом на кардачи как то влом:(.
хотяб скажите кто какие использовал маркировка мощность и тд.
Вобщем буду рад любой помощи:).
В городе у нас таких нету, а ехать спецом на кардачи как то влом:(.
хотяб скажите кто какие использовал маркировка мощность и тд.
Вобщем буду рад любой помощи:).
- Carbon13
- Старая гвардия
- Повідомлень: 741
- З нами з: 28 травня 2009, 19:11
- Мотоцикл: JAWA
- Дякував (ла): 0
- Подякували: 0
- Контактна інформація:
Re: Переделка в светодиодный стоп сигнал вместо лампочки
Я бы посоветовал или к Арамису или Садаму или Гесеру в личку написать. 

- Geser
- Гесератор-модератор
- Повідомлень: 2066
- З нами з: 31 травня 2009, 08:06
- Мотоцикл: Jawa 350 638 1988
- Звідки: Волиця - Київ - Бориспіль
- Дякував (ла): 0
- Подякували: 0
- Контактна інформація:
Re: Переделка в светодиодный стоп сигнал вместо лампочки

У меня пока не получилось с переделкой. Как-нибудь потом займусь.
Слава Україні!
- swan
- мелко рокер
- Повідомлень: 35
- З нами з: 28 травня 2009, 11:40
- Звідки: kiev
- Дякував (ла): 0
- Подякували: 0
- Контактна інформація:
Re: Переделка в светодиодный стоп сигнал вместо лампочки
Вот ещё один вариант...=)
- Вкладення
-
- x_b90a87df.jpg (59.03 Кіб) Переглянуто 11515 разів
-
- IMG081.jpg (64.04 Кіб) Переглянуто 11515 разів
-
- x_f2e50718.jpg (36.77 Кіб) Переглянуто 11515 разів
Dress for crash, not for ride.
- swan
- мелко рокер
- Повідомлень: 35
- З нами з: 28 травня 2009, 11:40
- Звідки: kiev
- Дякував (ла): 0
- Подякували: 0
- Контактна інформація:
Re: Переделка в светодиодный стоп сигнал вместо лампочки
Скупался на радио-рынке в Киеве 36 диодов (сколько кандел не помю спрашивал самые яркие) на кажый круг по 12 штук... на каждий 5 мм светодиод ставил по одному резистору 0.9 кОм 0.125 Втта ... )))) (на плюс!!!!) подключал их паралельно.... и ето всё подключил к стопаку... потом перед плюсовым проводом габаритов поставил 8 ватовий постояний резистор на 300 Ом помоеу...
З.Ы. как результат из за 8 ваттового резистора габариты светят относительно тускло, а когда нжимаешь тормоз, он светит в 3 раза ярче......
З.Ы.Ы. схема получилась немного страшненькая зато всё работает....=)
З.Ы. как результат из за 8 ваттового резистора габариты светят относительно тускло, а когда нжимаешь тормоз, он светит в 3 раза ярче......
З.Ы.Ы. схема получилась немного страшненькая зато всё работает....=)
- Вкладення
-
- x_c6029ad4.jpg (35.12 Кіб) Переглянуто 11515 разів
Dress for crash, not for ride.
- kiselandrew
- АВАТАР ААНГ
- Повідомлень: 2860
- З нами з: 25 травня 2009, 14:11
- Мотоцикл: none
- Звідки: Novgorod-Siverskiy, UA
- Дякував (ла): 0
- Подякували: 0
- Контактна інформація:
Re: Переделка в светодиодный стоп сигнал вместо лампочки
А можно на 12 штук 1 резистор большей мощности поставить, таким-же сопротивленим? Сколько эксплуатируешь?
https://www.strava.com/athletes/20928928
- sadam
- Старая гвардия
- Повідомлень: 1696
- З нами з: 23 травня 2009, 19:20
- Мотоцикл: JBW-125; Kawasaki ZX-6
- Звідки: Киев, Дарницкий р-н
- Дякував (ла): 0
- Подякували: 0
- Контактна інформація:
Re: Переделка в светодиодный стоп сигнал вместо лампочки
слишком крутой резистор понадобится. Лучше компоновать по 3.kisela писав:А можно на 12 штук 1 резистор большей мощности поставить, таким-же сопротивленим? Сколько эксплуатируешь?
-
- ньюб
- Повідомлень: 8
- З нами з: 02 червня 2009, 08:26
- Мотоцикл: JAWA 638
- Звідки: Киевская область г.Обухов
- Дякував (ла): 0
- Подякували: 0
- Контактна інформація:
Re: Переделка в светодиодный стоп сигнал вместо лампочки
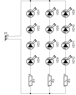
Светодиоды можно включать не только параллельно но и последовательно.... У красных светодиодов падение напряжения 2.2В, таким образом можно включать например по 4 шт последовательно и падение напряжения на них будет 8.8В, таких групп можно сделать например 3, получится 12 светодиодов в одном блоке, а потребляемый ток будет на много меньше и следовательно резистор понадобится на меньшую мощность...
Я бы вам очень советовал обязательно поставить стабилизатор тока, без него в случае скачка напряжения в бортовой сети все светодиоды сгорят!!!
Я бы вам очень советовал обязательно поставить стабилизатор тока, без него в случае скачка напряжения в бортовой сети все светодиоды сгорят!!!
- Вкладення
-
- 1111.jpg (25.58 Кіб) Переглянуто 11492 разів
- Человек
- Рокер по кафе рейсер
- Повідомлень: 2377
- З нами з: 25 травня 2009, 06:49
- Мотоцикл: Jawa-250, RF-400rt
- Звідки: Київ
- Дякував (ла): 0
- Подякували: 0
- Контактна інформація:
Re: Переделка в светодиодный стоп сигнал вместо лампочки
Помощь которую могу оказать это забрать и отправить тебе светодиоды, ты главное определи какие и где их продают.Dimler писав:господа хорошие и шарящие в данном вопросе, помогите купить необходимых светодиодов.
В городе у нас таких нету, а ехать спецом на кардачи как то влом:(.
Вобщем буду рад любой помощи:).
По инету это вполне можно сделать.
Хто зараз онлайн
Користувачі, які зараз переглядають цей форум: Немає зареєстрованих користувачів