Yamaha FZR250R
- Fazer
- БРУТАЛ
- Повідомлень: 767
- З нами з: 04 січня 2012, 21:37
- Мотоцикл: FireBlade_919 + Husqvarna_
- Звідки: Киев
- Дякував (ла): 0
- Подякували: 0
- Контактна інформація:
Re: Yamaha FZR250R
сальники в вилку 38х50х10.5
правый обтекатель могу дать свой для матрици!!! При условии если даш свой, тоже нигде не могу найти уже месяц!!(
по колодкам..тоже интересовался...в киеве есть "Центр тормозных компонентов", у них в наличии таких нету, но можно заказать. обещают в течении 2х недель доставить. цена в районе 300грн. Можна прошвырнутся еще по мотомагазинам, или под заказ...
правый обтекатель могу дать свой для матрици!!! При условии если даш свой, тоже нигде не могу найти уже месяц!!(
по колодкам..тоже интересовался...в киеве есть "Центр тормозных компонентов", у них в наличии таких нету, но можно заказать. обещают в течении 2х недель доставить. цена в районе 300грн. Можна прошвырнутся еще по мотомагазинам, или под заказ...
Пара минут из жизни мотоциклиста бывает интереснее, чем вся жизнь многих людей
- ruslan1
- ньюб
- Повідомлень: 12
- З нами з: 23 червня 2012, 14:14
- Мотоцикл: fzr 250 r
- Звідки: Черкассы
- Дякував (ла): 0
- Подякували: 0
- Контактна інформація:
Re: Yamaha FZR250R
Привіт всім.Перш за все вітаю з покупкою
класний мот.Думаю ти Вже його підшаманив.Я так зрозумів ми зустрічалися з тобою в Каневі.Світ мотик я придбав наприкінці весни.Хочу розповісти як я став його власником.Мотоцикли мені подобались завжди,але свій перший мот я придбав взимку.Підштовхнули друзі,і так як небуло категорії А На початку весни почав кататись без прав.Стаж водіння авто достатньо великий,але коли перший раз виїхав в місто це просто
.Тебе не бачать на дорозі,ігнорують,роблять видимість що не помічають,або просто демонстративно підрізають.Потім отримавши права нкатав на своєму зонгі 200 спортбайкові десь 2000 км.Відразу хочу сказати,байк на свої гроші класний,щоб не казали про Китай.Але коли тебе в городі обганяють авто зі світлофора,А ти газуєш але не їдеш-зрозумів треба щось міняти.Спочатку думав про комета 250 хьюса.Так як як і багато хто думав,що краще попроще та новіше,ніж стара японія.довго думав та всежтаки вибір впав на бандита 250 чи ямаха фзр.Коли побачив ямаху вживу,а головне коли хазяїн її завів Цей звук 4 циліндрів просто вводить в транс.На fzr накатав десь 1500 км і ні каплі не жалкую що взяв яму.Після зонгшена це небо і земля.Одне погано,що їх дуже мало,і проблема з запчастинами. Фазероводи збільшуєм наші ряди!До зустрічі на дорогах!
- Fazer
- БРУТАЛ
- Повідомлень: 767
- З нами з: 04 січня 2012, 21:37
- Мотоцикл: FireBlade_919 + Husqvarna_
- Звідки: Киев
- Дякував (ла): 0
- Подякували: 0
- Контактна інформація:
Re: Yamaha FZR250R
ruslan1, привіт! Так, це ми з тобою розмовляли на ТГ 2012) потім ще бачив тебе "на ходу" на виїзді з Канева...) В тебе класна фзрка! саме в такому "кузові" я теж собі хотів... Зустрічався я і з минулим власником твоєї ямахи...дядько трішки не простий...) привозив він мені боковий пластик з Черкас аж в Київ: потрісканий-обдертий - сказав віддасть не меньше як за 100 у.е., жук... так що зараз катаюсь без пластмаси...
Радий бачити тебе на цьому форумі, заповнюй профіль і велком!))
Радий бачити тебе на цьому форумі, заповнюй профіль і велком!))
Пара минут из жизни мотоциклиста бывает интереснее, чем вся жизнь многих людей
- ruslan1
- ньюб
- Повідомлень: 12
- З нами з: 23 червня 2012, 14:14
- Мотоцикл: fzr 250 r
- Звідки: Черкассы
- Дякував (ла): 0
- Подякували: 0
- Контактна інформація:
Re: Yamaha FZR250R
Привіт Діма,вирішив зареєструватись на форумі.Є деякі питання в мене і по мото.Хотів би поспілкуватись,можливо і зустрітись. 
- Fazer
- БРУТАЛ
- Повідомлень: 767
- З нами з: 04 січня 2012, 21:37
- Мотоцикл: FireBlade_919 + Husqvarna_
- Звідки: Киев
- Дякував (ла): 0
- Подякували: 0
- Контактна інформація:
Re: Yamaha FZR250R
ruslan1, будь-які питання можеш задавати тут, або в приват. А ще краще створи совю тему з розповіддю і фотками про свій потоцикл в розділі Буржуа, там і можеш розповідати про позитивні і негативні моменти а також задавати питання
Пара минут из жизни мотоциклиста бывает интереснее, чем вся жизнь многих людей
- Fazer
- БРУТАЛ
- Повідомлень: 767
- З нами з: 04 січня 2012, 21:37
- Мотоцикл: FireBlade_919 + Husqvarna_
- Звідки: Киев
- Дякував (ла): 0
- Подякували: 0
- Контактна інформація:
Re: Yamaha FZR250R
також буду радий з тобою знову зустрітись, але хіба що в Києві... 
Пара минут из жизни мотоциклиста бывает интереснее, чем вся жизнь многих людей
- Well
- ВЕТЕРАН
- Повідомлень: 3654
- З нами з: 23 травня 2009, 18:33
- Мотоцикл: Honda VFR750F rc36 + Suzuki DRZ400S
- Звідки: Киев
- Дякував (ла): 0
- Подякували: 0
- Контактна інформація:
Re: Yamaha FZR250R
проблемы с запчастями они только в Украине... за рубежом есть большая часть запов. так что боятся в наше время дефицита уже не стоит. в любом разе серьезная запчасть что на фазер что на популярного европейца будет ехать около месяца.
Удача - смелых любит!
http://www.bikepics.com/members/well/

http://www.bikepics.com/members/well/

- ruslan1
- ньюб
- Повідомлень: 12
- З нами з: 23 червня 2012, 14:14
- Мотоцикл: fzr 250 r
- Звідки: Черкассы
- Дякував (ла): 0
- Подякували: 0
- Контактна інформація:
Re: Yamaha FZR250R
Добавляю тобі діма по твоїй просьбі фотки.Не знаю чи вони тобі допоможуть.І номер релє 4TX-AI SH569-12 .Нафішку йде 4 провода і один збоку на масу не знаю чи він відносить ся до релє,погано видно,він стоіть в Ж..пі.
- Fazer
- БРУТАЛ
- Повідомлень: 767
- З нами з: 04 січня 2012, 21:37
- Мотоцикл: FireBlade_919 + Husqvarna_
- Звідки: Киев
- Дякував (ла): 0
- Подякували: 0
- Контактна інформація:
Re: Yamaha FZR250R
ruslan1, дякую за фото! 5й провід кріпиться на масу і на реле... Буду пробувати тулити якісь аналоги...
Пара минут из жизни мотоциклиста бывает интереснее, чем вся жизнь многих людей
- Fazer
- БРУТАЛ
- Повідомлень: 767
- З нами з: 04 січня 2012, 21:37
- Мотоцикл: FireBlade_919 + Husqvarna_
- Звідки: Киев
- Дякував (ла): 0
- Подякували: 0
- Контактна інформація:
Re: Yamaha FZR250R
Пока сезон в разгаре а я провожу время вместе с мотоциклом только в гараже..
Пока едут звезды из неизвестно зарубежной страны, я поодкручивал все что можно) двигатель пока не трогаю, здравый рассудок не дает мне его вскрыть..))
Первое что сделал, так это выбросил сигналку, выпрямитель,все лишние сопли, и вазовское реле которое непонятно зачем там стояло. После этого мот не заводил но надеюсь что будет работать))
Пока едут звезды из неизвестно зарубежной страны, я поодкручивал все что можно) двигатель пока не трогаю, здравый рассудок не дает мне его вскрыть..))
Первое что сделал, так это выбросил сигналку, выпрямитель,все лишние сопли, и вазовское реле которое непонятно зачем там стояло. После этого мот не заводил но надеюсь что будет работать))
Востаннє редагувалось 19 липня 2012, 09:59 користувачем Fazer, всього редагувалось 1 раз.
Пара минут из жизни мотоциклиста бывает интереснее, чем вся жизнь многих людей
- Fazer
- БРУТАЛ
- Повідомлень: 767
- З нами з: 04 січня 2012, 21:37
- Мотоцикл: FireBlade_919 + Husqvarna_
- Звідки: Киев
- Дякував (ла): 0
- Подякували: 0
- Контактна інформація:
Re: Yamaha FZR250R
Добил недобитые звезды. На передней оказались отломаны зубы. Заднюю в конце вообще облизало...
Спереди в стоке JTF1263-17зубов. Задняя JTR1847.57 зубов. Цепь 428, на 130 звеньев с сальниками. Может кому пригодится...Елементы проблемно найти у нас, по этому можно поставить спереди JTF1263-14 вместе с JT JTR1847.48
Спереди в стоке JTF1263-17зубов. Задняя JTR1847.57 зубов. Цепь 428, на 130 звеньев с сальниками. Может кому пригодится...Елементы проблемно найти у нас, по этому можно поставить спереди JTF1263-14 вместе с JT JTR1847.48
Пара минут из жизни мотоциклиста бывает интереснее, чем вся жизнь многих людей
- Fazer
- БРУТАЛ
- Повідомлень: 767
- З нами з: 04 січня 2012, 21:37
- Мотоцикл: FireBlade_919 + Husqvarna_
- Звідки: Киев
- Дякував (ла): 0
- Подякували: 0
- Контактна інформація:
Re: Yamaha FZR250R
После 4х месяцев поисков таки нашел левый боковой обтекатель. Очень понравился оригинальный окрас и дизайн: белый перламутр и заводские красно-синие наклейки. Японские наклейки, не смотря на возраст более 20ти лет, удалялись очеень тяжело, пока их снял спалил фен...(
Сейчас занимаюсь пайкой, поклейкой пластика. Вчера целый день потратил на один только передний обтекатель
Сейчас занимаюсь пайкой, поклейкой пластика. Вчера целый день потратил на один только передний обтекатель
Пара минут из жизни мотоциклиста бывает интереснее, чем вся жизнь многих людей
- Fazer
- БРУТАЛ
- Повідомлень: 767
- З нами з: 04 січня 2012, 21:37
- Мотоцикл: FireBlade_919 + Husqvarna_
- Звідки: Киев
- Дякував (ла): 0
- Подякували: 0
- Контактна інформація:
Re: Yamaha FZR250R
Сомневаюсь... мож кто шарит?
имеем штатный выпрямитель(как я понимаю это и реле зарядки). к нему подведен жмут из 5 проводов: [3 белых(как я понимаю это 3 фазы с генератора) и 1 красный] заходят в фишку выпрямителя. И есть еще 5 провод, который заходит не в фишку а просто прикручивается болтом к выпрямителю ну и к раме(массе).
Вместо него хочу поставить реле с zongshena250. Там какая картина: на выпрямителе 2 фишки: в одной 3 клемы с желтыми проводами(думаю это те же 3 фазы) а во второй 2 клемы - красный и зеленый провода. В моем случае надо подключить:
белые-желтые
красный-красный
черный-зеленый? или черный так же прикрутить к массе а зеленый просто оставить? или черный подключить и к зеленом и к массе?)) или что с ним делать?)
вроди бы все сходится, 5на5, но зачем подключать тот зеленый если реле и так к массе прикручивается. Електрики что скажут?)а то боюсь спалить выпрямитель...
и еще есть такая мысль а что если поставить выпрямитель с явы? там же тоже 5 клем как у меня: 3 фазы "+" и "-" . Но в явы еще есть отдельно РР-напрж. Короче надо специалисты))
имеем штатный выпрямитель(как я понимаю это и реле зарядки). к нему подведен жмут из 5 проводов: [3 белых(как я понимаю это 3 фазы с генератора) и 1 красный] заходят в фишку выпрямителя. И есть еще 5 провод, который заходит не в фишку а просто прикручивается болтом к выпрямителю ну и к раме(массе).
Вместо него хочу поставить реле с zongshena250. Там какая картина: на выпрямителе 2 фишки: в одной 3 клемы с желтыми проводами(думаю это те же 3 фазы) а во второй 2 клемы - красный и зеленый провода. В моем случае надо подключить:
белые-желтые
красный-красный
черный-зеленый? или черный так же прикрутить к массе а зеленый просто оставить? или черный подключить и к зеленом и к массе?)) или что с ним делать?)
вроди бы все сходится, 5на5, но зачем подключать тот зеленый если реле и так к массе прикручивается. Електрики что скажут?)а то боюсь спалить выпрямитель...
и еще есть такая мысль а что если поставить выпрямитель с явы? там же тоже 5 клем как у меня: 3 фазы "+" и "-" . Но в явы еще есть отдельно РР-напрж. Короче надо специалисты))
Пара минут из жизни мотоциклиста бывает интереснее, чем вся жизнь многих людей
- Лях
- Майстер
- Повідомлень: 3989
- З нами з: 26 січня 2010, 11:22
- Мотоцикл: Honda Transalp 600V
- Звідки: Хмельницька обл.
- Дякував (ла): 0
- Подякували: 0
- Контактна інформація:
Re: Yamaha FZR250R
На моїй Каджіві теж був трифазний генератор і підключалось реле ось так: 3 жовтих - на 3 фази генератора, червоний - плюс на аккумулятор, синій маса.
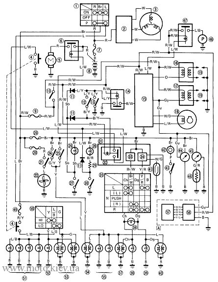
Схема.
В Хйосунгови аналогічна схема.
Май на увазі, що генератор видає не 14, чи 15 Вольт, а 50 ~ 99 Вольт, залежно від обертів!!!!!!!
Дивись тут і тут.
І не вздумай нічого ліпити від Жигуля, Яви, чи ще чогось, там все працює за зовсім іншим принципом!!!!
Схема.
В Хйосунгови аналогічна схема.
Май на увазі, що генератор видає не 14, чи 15 Вольт, а 50 ~ 99 Вольт, залежно від обертів!!!!!!!
Дивись тут і тут.
І не вздумай нічого ліпити від Жигуля, Яви, чи ще чогось, там все працює за зовсім іншим принципом!!!!
TA600 youtube Сайт
- archer
- И так сойдет
- Повідомлень: 2093
- З нами з: 25 травня 2009, 11:13
- Мотоцикл: Suzuki GS 500F => DR650r => KTM 690 Enduro R
- Звідки: Киев
- Дякував (ла): 0
- Подякували: 0
- Контактна інформація:
Re: Yamaha FZR250R
Ты уверен что на первой фотке выпрямитель? Уж больно он компактный и без охлаждения.
По поводу взаимозаменяемости, посмотри в мануале какой тип генератора установлен, если трехфазный переменного тока с возбуждением на роторе, то схема не очень должна отличатся от явовской.
И напоследок, а схема есть ?
Если все же это выпрямитель, то 3 белых это 3 фазы, красный - выход плюса в бортовую сеть, 5-й это минус, и подозреваю он к реле непосредственного отношения не имеет (так как выпрямитель и так на массе сидит) , куда-то понадобился в районе генератора.имеем штатный выпрямитель(как я понимаю это и реле зарядки). к нему подведен жмут из 5 проводов: [3 белых(как я понимаю это 3 фазы с генератора) и 1 красный] заходят в фишку выпрямителя. И есть еще 5 провод, который заходит не в фишку а просто прикручивается болтом к выпрямителю ну и к раме(массе).
По поводу взаимозаменяемости, посмотри в мануале какой тип генератора установлен, если трехфазный переменного тока с возбуждением на роторе, то схема не очень должна отличатся от явовской.
И напоследок, а схема есть ?
И так сойдет
- Fazer
- БРУТАЛ
- Повідомлень: 767
- З нами з: 04 січня 2012, 21:37
- Мотоцикл: FireBlade_919 + Husqvarna_
- Звідки: Киев
- Дякував (ла): 0
- Подякували: 0
- Контактна інформація:
Re: Yamaha FZR250R
archer, уверен. потому что к нему идут из генератора 3 фазы.и просмотрев всю проводку ничего другого я не нашел.
в генератор масса не заходит, только 3 провода фазы.
мануал как такого нету. Схема только такая. Ну еще нарыл фото генератора
в генератор масса не заходит, только 3 провода фазы.
мануал как такого нету. Схема только такая. Ну еще нарыл фото генератора
Пара минут из жизни мотоциклиста бывает интереснее, чем вся жизнь многих людей
- Fazer
- БРУТАЛ
- Повідомлень: 767
- З нами з: 04 січня 2012, 21:37
- Мотоцикл: FireBlade_919 + Husqvarna_
- Звідки: Киев
- Дякував (ла): 0
- Подякували: 0
- Контактна інформація:
Re: Yamaha FZR250R
Воно мені підійде? Яка ціна?liach писав:До речі, маю робоче реле, залишилось від Каджіви.
Пара минут из жизни мотоциклиста бывает интереснее, чем вся жизнь многих людей
- Лях
- Майстер
- Повідомлень: 3989
- З нами з: 26 січня 2010, 11:22
- Мотоцикл: Honda Transalp 600V
- Звідки: Хмельницька обл.
- Дякував (ла): 0
- Подякували: 0
- Контактна інформація:
Re: Yamaha FZR250R
Скоріше всього, що відрізняється, бо майже всі сучасні генератори збуджуються від постійних магнітів.archer писав:По поводу взаимозаменяемости, посмотри в мануале какой тип генератора установлен, если трехфазный переменного тока с возбуждением на роторе, то схема не очень должна отличатся от явовской.
Відповів в приват.Fazer писав:Воно мені підійде? Яка ціна?liach писав:До речі, маю робоче реле, залишилось від Каджіви.
А масу все-таки вчіпи, зайвим не буде.
TA600 youtube Сайт
- Fazer
- БРУТАЛ
- Повідомлень: 767
- З нами з: 04 січня 2012, 21:37
- Мотоцикл: FireBlade_919 + Husqvarna_
- Звідки: Киев
- Дякував (ла): 0
- Подякували: 0
- Контактна інформація:
Re: Yamaha FZR250R
Только что подключил выпрямитель от кадживы. Мот завелся но зарядки по прежнему нету!((
я уже не знаю что еще может быть, выручайте
я уже не знаю что еще может быть, выручайте
Пара минут из жизни мотоциклиста бывает интереснее, чем вся жизнь многих людей
- Лях
- Майстер
- Повідомлень: 3989
- З нами з: 26 січня 2010, 11:22
- Мотоцикл: Honda Transalp 600V
- Звідки: Хмельницька обл.
- Дякував (ла): 0
- Подякували: 0
- Контактна інформація:
Re: Yamaha FZR250R
А з генератора напруга йде?
Звони обмотки, перевір контакт в місці їх з'єднання, пробуй напругу на виході з генератора, на вході в реле і т. д., це ж все елементарно! Там їрунда тієї схеми! Десь полюбому обрив, або немає контакту, або кулібіни влізли в схему, бо за працездатність реле я відповідаю! Також може бути, що десь ізоляція перетерлась і б'є на масу. Коротше все передивись.
Звони обмотки, перевір контакт в місці їх з'єднання, пробуй напругу на виході з генератора, на вході в реле і т. д., це ж все елементарно! Там їрунда тієї схеми! Десь полюбому обрив, або немає контакту, або кулібіни влізли в схему, бо за працездатність реле я відповідаю! Також може бути, що десь ізоляція перетерлась і б'є на масу. Коротше все передивись.
TA600 youtube Сайт
- Лях
- Майстер
- Повідомлень: 3989
- З нами з: 26 січня 2010, 11:22
- Мотоцикл: Honda Transalp 600V
- Звідки: Хмельницька обл.
- Дякував (ла): 0
- Подякували: 0
- Контактна інформація:
Re: Yamaha FZR250R
Ще одно, яким чином ти визначаєш, що нема зарядки? Найкраще це робити вольтметром годинникового типу з Жигуля 7-ки, не вздумай знімати клему з аккумулятора при працюючому двигуні, бо релюшці буде п...ц!!!
TA600 youtube Сайт
- sadam
- Старая гвардия
- Повідомлень: 1696
- З нами з: 23 травня 2009, 19:20
- Мотоцикл: JBW-125; Kawasaki ZX-6
- Звідки: Киев, Дарницкий р-н
- Дякував (ла): 0
- Подякували: 0
- Контактна інформація:
Re: Yamaha FZR250R
Смотри релле. Там есть варианты. С фазами все правильно - 3 одинаковых провода. А вот выход там хитро. Может быть несколько вариантов: красный - выход 12в. Зеленый "-". А вот если в схеме красный/черный то может быть что черный это тоже 12в но от замка, для включения РР, соответственно корпус блока "-".
- Fazer
- БРУТАЛ
- Повідомлень: 767
- З нами з: 04 січня 2012, 21:37
- Мотоцикл: FireBlade_919 + Husqvarna_
- Звідки: Киев
- Дякував (ла): 0
- Подякували: 0
- Контактна інформація:
Re: Yamaha FZR250R
Проверяю тестером...
Пара минут из жизни мотоциклиста бывает интереснее, чем вся жизнь многих людей
- sadam
- Старая гвардия
- Повідомлень: 1696
- З нами з: 23 травня 2009, 19:20
- Мотоцикл: JBW-125; Kawasaki ZX-6
- Звідки: Киев, Дарницкий р-н
- Дякував (ла): 0
- Подякували: 0
- Контактна інформація:
Re: Yamaha FZR250R
много не намеряешь - при той системе которую я описывал черный провод подключает схему стабилизации. Это защита от утечки тока через стабилизатор при простое техники.
Хто зараз онлайн
Користувачі, які зараз переглядають цей форум: Немає зареєстрованих користувачів