YAMAHA XT600 (1985 г.в.), могучий ДРЫГ и толчковая правая

HONDA, KAWASAKI, SUZUKI, YAMAHA и прочая буржуиндия.
MAXDZ
Старая гвардия
Повідомлень: 2423
З нами з: 01 березня 2012, 20:23
Мотоцикл: ыыы
Звідки: ыыы
Дякував (ла): 0
Подякували: 0
Контактна інформація:

Re: YAMAHA XT600 (1985 г.в.), могучий ДРЫГ и толчковая права

Повідомлення MAXDZ »

Да, есть такое у 4Т, после падения на горячую приходится попрыгать на 450 особенно, 250 полегче, но тоже. 2Т вообще без проблем после падение заводится. И только КТМ читеры электростартер прикрутили, но кика нет, если с электростартера не заведется с 5-6 попыток, то труба.
Аватар користувача
archer
И так сойдет
Повідомлень: 2093
З нами з: 25 травня 2009, 11:13
Мотоцикл: Suzuki GS 500F => DR650r => KTM 690 Enduro R
Звідки: Киев
Дякував (ла): 0
Подякували: 0
Контактна інформація:

Re: YAMAHA XT600 (1985 г.в.), могучий ДРЫГ и толчковая права

Повідомлення archer »

Ну незнаю, когда заливал CRF450, на руле под большой палец левой руки подствлена кнопочка, 2-3 кика и залитый мотор заводится.
И так сойдет
MAXDZ
Старая гвардия
Повідомлень: 2423
З нами з: 01 березня 2012, 20:23
Мотоцикл: ыыы
Звідки: ыыы
Дякував (ла): 0
Подякували: 0
Контактна інформація:

Re: YAMAHA XT600 (1985 г.в.), могучий ДРЫГ и толчковая права

Повідомлення MAXDZ »

Хорошо, когда есть откуда накатом вниз дырчик толкнуть.
Аватар користувача
KWAKA
Омаровод
Повідомлень: 2690
З нами з: 14 червня 2010, 18:55
Мотоцикл: Пішохід
Звідки: БЦ
Дякував (ла): 0
Подякували: 0
Контактна інформація:

Re: YAMAHA XT600 (1985 г.в.), могучий ДРЫГ и толчковая права

Повідомлення KWAKA »

Я не знаю как у других, но клр, на асфальте, втроем не вышло сорвать с третьей передачи.
MAXDZ
Старая гвардия
Повідомлень: 2423
З нами з: 01 березня 2012, 20:23
Мотоцикл: ыыы
Звідки: ыыы
Дякував (ла): 0
Подякували: 0
Контактна інформація:

Re: YAMAHA XT600 (1985 г.в.), могучий ДРЫГ и толчковая права

Повідомлення MAXDZ »

250ку тоже не завести с толкача одному, только с бугра накатом.
Аватар користувача
TOPOnyHbKA
мож че и выростит
Повідомлень: 120
З нами з: 02 жовтня 2010, 23:57
Мотоцикл: GSX750F, XT600
Звідки: Минск
Дякував (ла): 0
Подякували: 0
Контактна інформація:

Re: YAMAHA XT600 (1985 г.в.), могучий ДРЫГ и толчковая правая

Повідомлення TOPOnyHbKA »

Давно не писал, но Лёша Avior заставил :) написать о том, куда можно влезть в мотоцикл шаловливыми руками.
Так как ямаха у меня киковая, то аккум ей как бы и не нужен. А тут еще на всяческих буржуйских фэйсбуках прошла информация о возможности замены акума на конденсатор. По ссылкам нашел конденсатор от на ебэях, электролитический с параметрами 10000uF, 40V AC, t=105°. И ценой в $30. Снял аккум, прикрутил кондей. Кикнулся, проехался по гаражам, работает, фара светит, поворотники моргают, ручки теплые греют. Решил посмотреть как там кондер: "А что это он теплый какой-то, да же горячий. И дуется как хомяк залезший в пакет с крупой. Бля!!! Провода резать уже поздно! Отойду-ка я в сторону". Только отошёл как 30 баксов и месяц ожидания с охрененным хлопком красивым конфетти и дымом разлетелось по гаражу. Корпус кондея вылетев из ниши аккума влупился в стену и собрался гармошкой. Я перепутал полярность на кондере.
Ну не останавливаться же на этом? Купил на радиорынке кондер с такими же параметрами за 3уе (правда размеры 2 раза меньше) и подключил правильно, соблюдая полярность. Эксплуатация в течение года проблем не выявила.
Я катаюсь не только в летом, но и в прохладную погоду, и а иногда свербит покататься и по снегу зимой.
Зображення
И вызывало у меня раздражение то, что штатное реле поворотов на холоде залипает и не моргает поворотниками. Решено, меняю реле на электронное и заодно все лампочки, окромя головного света на светодиодные. Много читал про трехконтакное реле, про способы переделки жигулевского и т.д. Много думал, рисовал схемы. Все оказалось проще. Как всегда "за недорага" выручили братья китайцы. На алиэкспресе прикупил реле двухконтактное (есть и трехконтактное). Шло неделю.
Зображення
Воткнул реле, лампочки, собрал поворотники (пометка на будущее, стекло поворотника не крышка картера затягивать даже отверткой сильно не надо!!! Хорошо после первого уделанного в лесу поворотника прикупил стекол с запасом - могно заменить). Завелся, врубил поворотники. Моргают отлично!. Правда все четыре сразу :shothead: . Как аварийка.
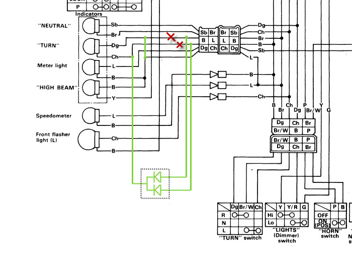
Пришлось разобрать приборку и вынуть лампочку индикации поворотов. Заработало как надо. Но без моргающей лампочки на приборке не красиво :) Поэтому порывшись в коробочка на полках, нашел диодную сборку (два диода с общим катодом), и немного доработал схему подключения лампочки на приборке.
schem.jpg
Теперь красота.
Востаннє редагувалось 08 липня 2016, 07:41 користувачем TOPOnyHbKA, всього редагувалось 1 раз.
I don't have a short temper. I just have a quick reaction to bullshit.
Аватар користувача
sadam
Старая гвардия
Повідомлень: 1696
З нами з: 23 травня 2009, 19:20
Мотоцикл: JBW-125; Kawasaki ZX-6
Звідки: Киев, Дарницкий р-н
Дякував (ла): 0
Подякували: 0
Контактна інформація:

Re: YAMAHA XT600 (1985 г.в.), могучий ДРЫГ и толчковая правая

Повідомлення sadam »

Я на китайчике 2 года откатал с кондерами вместо акума.
Аватар користувача
TOPOnyHbKA
мож че и выростит
Повідомлень: 120
З нами з: 02 жовтня 2010, 23:57
Мотоцикл: GSX750F, XT600
Звідки: Минск
Дякував (ла): 0
Подякували: 0
Контактна інформація:

Re: YAMAHA XT600 (1985 г.в.), могучий ДРЫГ и толчковая правая

Повідомлення TOPOnyHbKA »

Главное работает :)
Я тут задумал в приборке все перевести на светодиоды, но как то слишком ярко они светят. Пока думаю.
I don't have a short temper. I just have a quick reaction to bullshit.
oleksa
Старая гвардия
Повідомлень: 2119
З нами з: 26 жовтня 2010, 17:06
Мотоцикл: Yamaha TW-200, Иж-56, Карпаты-2
Звідки: Киевская обл. г.Украинка
Дякував (ла): 0
Подякували: 2 рази
Контактна інформація:

Re: YAMAHA XT600 (1985 г.в.), могучий ДРЫГ и толчковая правая

Повідомлення oleksa »

С стандартными лампочками проблемы ?
Відповісти

Повернутись до “Красавица и Чудовище”

Хто зараз онлайн

Користувачі, які зараз переглядають цей форум: Немає зареєстрованих користувачів