Большая проблема с генератором
-
Руслан2305
- ньюб
- Повідомлень: 9
- З нами з: 27 серпня 2014, 20:21
- Мотоцикл: JAWA 360
- Звідки: Кривой Рог
- Дякував (ла): 0
- Подякували: 0
- Контактна інформація:
Большая проблема с генератором
Очень прошу помощи, а то никак не разберусь, вобщем проблема в следующем: поставил на старуху себе генератор с ижа, все отлично, но вся непонятка в якоре, а именно при полном всем подключении у меня коротит щеточный колектор между собой, тоисть идет плюс и минус(как раз из-за этого и коротит) все проверял несколько раз по всяким схеммам, все правильно, мультиметром прозванивал тоже все ок, не пойму одного, как если щеточные дорожки между собой прозваниваются на них может идти навстречу плюс на минус?! Нашел статейку про проверку ротора ижа на исправность, а именно на намагничивание путем подачи на колектора плюс и минуса, подключаю и коротит, но магнитит отлично. Подскажите знающие люди как мне решить проблему, а то замучался, движок вот недавно собрал, хочеться поездить, обкатать, но из-за этого все рухнуло...
- Alex вишня
- мелко рокер
- Повідомлень: 38
- З нами з: 15 листопада 2013, 10:05
- Мотоцикл: JAWA 350 633 1976г пробег 90тыс.
- Звідки: Украина, Донецкая обл., г. Николаевка
- Дякував (ла): 0
- Подякували: 0
- Контактна інформація:
Re: Большая проблема с генератором
Я так понял это на стоячем двигателе когда включаешь зажигание? + с АКБ на якорь должен подаваться только тогда когда на холостом ходе генератора на нем будет не менее 6(с копейкой) вольт! Даже если и раньше подать - замыкания не будет! Будет ток разряда АКБ через якорь на массу. А - на коллекторе потому что одна щетка сидит на массе. Откинь провод идущий от якоря к реле, запусти двиг и замерь относительно массы напряжение на якоре и на откинутом проводе. В обоих случаях должно быть положительное напряж. Бля... у тебя же старушка! Если не ошибаюсь то + сидит на массе! Вот и не получается.
-
Руслан2305
- ньюб
- Повідомлень: 9
- З нами з: 27 серпня 2014, 20:21
- Мотоцикл: JAWA 360
- Звідки: Кривой Рог
- Дякував (ла): 0
- Подякували: 0
- Контактна інформація:
Re: Большая проблема с генератором
да это на не заведенном моторе, и как может быть плюс на массе?! одна щетка на массе, да, вторая идет на реле(оно жигулевское), второй с реле на плюс после замка и все, включаю зажигание, в этот момент подается напруга на якорь и садит мне аккумулятор
- Alex вишня
- мелко рокер
- Повідомлень: 38
- З нами з: 15 листопада 2013, 10:05
- Мотоцикл: JAWA 350 633 1976г пробег 90тыс.
- Звідки: Украина, Донецкая обл., г. Николаевка
- Дякував (ла): 0
- Подякували: 0
- Контактна інформація:
-
Руслан2305
- ньюб
- Повідомлень: 9
- З нами з: 27 серпня 2014, 20:21
- Мотоцикл: JAWA 360
- Звідки: Кривой Рог
- Дякував (ла): 0
- Подякували: 0
- Контактна інформація:
-
Руслан2305
- ньюб
- Повідомлень: 9
- З нами з: 27 серпня 2014, 20:21
- Мотоцикл: JAWA 360
- Звідки: Кривой Рог
- Дякував (ла): 0
- Подякували: 0
- Контактна інформація:
Re: Большая проблема с генератором
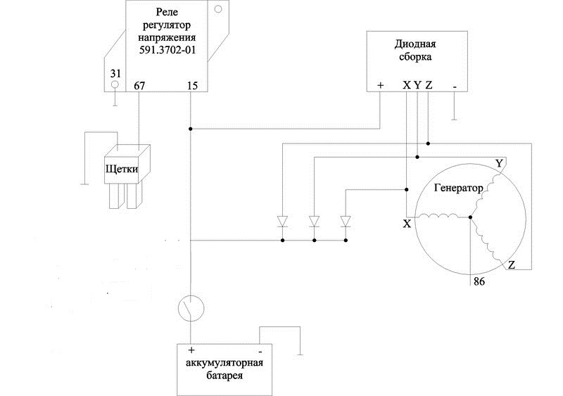
подключено вот по этой схеме, вобщем вся суть проблемы заключается в том, что на не заведенном движке напруга подается сразу на обмотку возбуждения, от хз должно оно так быть или же не, но в таком случае у меня и жрет заряд мгновенно, как только я включаю зажигание, а убираю одну с щеток, то норм, напруга не падает(т.к. нет цепи). И как же его нужно подключить, что б у меня не было такой фигни, скоко смотрел так и не понял. Очень прошу помощи...
- lelik
- Старая гвардия
- Повідомлень: 1263
- З нами з: 16 лютого 2012, 12:11
- Мотоцикл: Jawa: 634-01 (вишневочка), ЧИХ-ПИХ 5
- Звідки: г. Переяслав-Хмельницкий
- Дякував (ла): 0
- Подякували: 0
- Контактна інформація:
Re: Большая проблема с генератором
- как коротит? - чем эты выражено? - сгорает предохранитель (он не слабоват?), или плавятся провода..или сразу садится АКБ? - сопротивление обмотки возбуждения должно быть примерно 7 ом. Проверь не звонятся ли дорожки на железо ротора (пробой обмотки на массу). Если звонится на корпус или сопротивление обмотки меньше всего пару ом - то якорь на замену.Руслан2305 писав: непонятка в якоре, а именно при полном всем подключении у меня коротит щеточный колектор между собой, тоисть идет плюс и минус(как раз из-за этого и коротит) все проверял несколько раз по всяким схеммам, все правильно.
- так якорь магнитит при всем этом?. По логике правильно: одна щетка плюс от замка через РР, вторая минус.
жизнь хороша, когда едешь не спеша...
- Вова4ка
- рокер
- Повідомлень: 405
- З нами з: 19 листопада 2011, 20:30
- Мотоцикл: Jawa 638
- Звідки: Белозерск Донецкой обл.
- Дякував (ла): 0
- Подякували: 0
- Контактна інформація:
Re: Большая проблема с генератором
В общем то твоё "коротит"и есть принцип работы электромагнита.Заводи и проверяй идет ли зарядка.
-
Руслан2305
- ньюб
- Повідомлень: 9
- З нами з: 27 серпня 2014, 20:21
- Мотоцикл: JAWA 360
- Звідки: Кривой Рог
- Дякував (ла): 0
- Подякували: 0
- Контактна інформація:
Re: Большая проблема с генератором
да я уже понял методом тыка, что ротор так и работает, в общем зарядка идет, но все равно меня уже задрало это все, при подаче напряжения на ротор, разряжается аккум, мерял у друга, у него через БПВ подключено, так у него мерял на щетках при включенном зажигани 3 вольта с копейками, на статоре у нас одинаково, потом попробую поставить БПВ
-
Руслан2305
- ньюб
- Повідомлень: 9
- З нами з: 27 серпня 2014, 20:21
- Мотоцикл: JAWA 360
- Звідки: Кривой Рог
- Дякував (ла): 0
- Подякували: 0
- Контактна інформація:
Re: Большая проблема с генератором
да я уже понял методом тыка, что ротор так и работает, в общем зарядка идет, но все равно меня уже задрало это все,
при подаче напряжения на статор, разряжается аккум, мерял у друга, у него через БПВ подключено, так у него мерял на щетках при включенном зажигани 3 вольта с копейками, на статоре у нас одинаково, потом попробую поставить БПВ
- Aleks1978
- Старая гвардия
- Повідомлень: 4206
- З нами з: 15 вересня 2009, 17:56
- Мотоцикл: 350/634
- Звідки: Харківська область,Борівщіна
- Дякував (ла): 2 рази
- Подякували: 0
- Контактна інформація:
Re: Большая проблема с генератором
блин. у меня знакомый в городе продает 90ват ген с восхода. купи и перейди на питанее от свет катушек. и электронику потянет и свет.цена 250+моя помощ.
095 02 63 867юмс і 063 624 72 60 лайф (вайбер і телеграм)[/color] Саня.
Держи и ум,и душу в чистоте.Тогда и процветание будет мудрым.
Держи и ум,и душу в чистоте.Тогда и процветание будет мудрым.
- lelik
- Старая гвардия
- Повідомлень: 1263
- З нами з: 16 лютого 2012, 12:11
- Мотоцикл: Jawa: 634-01 (вишневочка), ЧИХ-ПИХ 5
- Звідки: г. Переяслав-Хмельницкий
- Дякував (ла): 0
- Подякували: 0
- Контактна інформація:
Re: Большая проблема с генератором
При исправной АКБ - проблем никогда не возникало...даже когда забывал выключать зажигание на несколько минут.
Вопрос можно решить, если подключить питание с замка через лампочку (или резистор)...ну и параллельно еще питание от плюса диодника - лампочка уменьшит энергозатраты обмотки возбуждения. Получим меньше потребление при вкл зажигании на не работающем моторе...а когда мотор запустится ток пойдет от диодника, который и будет питать обмотку возбуждения.

Вопрос можно решить, если подключить питание с замка через лампочку (или резистор)...ну и параллельно еще питание от плюса диодника - лампочка уменьшит энергозатраты обмотки возбуждения. Получим меньше потребление при вкл зажигании на не работающем моторе...а когда мотор запустится ток пойдет от диодника, который и будет питать обмотку возбуждения.
жизнь хороша, когда едешь не спеша...
-
Руслан2305
- ньюб
- Повідомлень: 9
- З нами з: 27 серпня 2014, 20:21
- Мотоцикл: JAWA 360
- Звідки: Кривой Рог
- Дякував (ла): 0
- Подякували: 0
- Контактна інформація:
Re: Большая проблема с генератором
а как вопще вся цепь на стандартном БПВ запитана, интерессно? в принцыпе я думал как-то через лампу подключить, нашел подобную схему, подключал немного по другому, все равно фигня, еще заметил, что при отключенной обмотке возбуждения, движок работает лучше. А так то зарядка идет, но одновременно на низких оборотах аккум садиться, так что это все бесполезно. А как еще может быть, что я место РР подключал лампу и зарядка шла,?
- Вова4ка
- рокер
- Повідомлень: 405
- З нами з: 19 листопада 2011, 20:30
- Мотоцикл: Jawa 638
- Звідки: Белозерск Донецкой обл.
- Дякував (ла): 0
- Подякували: 0
- Контактна інформація:
Re: Большая проблема с генератором
Учи матчасть,и будет тебе счастье.Мог бы без лампочки соединить провода,но в таком случае перезаряд тебе обеспечен,и как следствие смерть АКБ.Руслан2305 писав:а как вопще вся цепь на стандартном БПВ запитана, интерессно? в принцыпе я думал как-то через лампу подключить, нашел подобную схему, подключал немного по другому, все равно фигня, еще заметил, что при отключенной обмотке возбуждения, движок работает лучше. А так то зарядка идет, но одновременно на низких оборотах аккум садиться, так что это все бесполезно. А как еще может быть, что я место РР подключал лампу и зарядка шла,?
-
Руслан2305
- ньюб
- Повідомлень: 9
- З нами з: 27 серпня 2014, 20:21
- Мотоцикл: JAWA 360
- Звідки: Кривой Рог
- Дякував (ла): 0
- Подякували: 0
- Контактна інформація:
Re: Большая проблема с генератором
а генератор 638 явы так же само работает и подключение такое же или немного подругому?
-
C_ Joker
- los Relajados
- Повідомлень: 649
- З нами з: 04 травня 2010, 17:09
- Мотоцикл: CZ 472.6
- Звідки: Каменское(Днепродзержинск), Днепропетровская обл.
- Дякував (ла): 1 раз
- Подякували: 0
- Контактна інформація:
Re: Большая проблема с генератором
Генератор ИЖа и Явы 638 работают по одному принципу, и принципиальная схема плдключения одинакова, могут быть какие то вариации, но сути не меняет!
-
Руслан2305
- ньюб
- Повідомлень: 9
- З нами з: 27 серпня 2014, 20:21
- Мотоцикл: JAWA 360
- Звідки: Кривой Рог
- Дякував (ла): 0
- Подякували: 0
- Контактна інформація:
Re: Большая проблема с генератором
но все равно не пойму как правильно сделать, уже все схемы перепробовал, как сделать что б на возбуждение не шло полное питание, тоисть 12 вольт, и можно ли что б вообще не подавалась напруга на ротор, а только от него шло,путем установки диода? если не прав прошу не винить
-
C_ Joker
- los Relajados
- Повідомлень: 649
- З нами з: 04 травня 2010, 17:09
- Мотоцикл: CZ 472.6
- Звідки: Каменское(Днепродзержинск), Днепропетровская обл.
- Дякував (ла): 1 раз
- Подякували: 0
- Контактна інформація:
Re: Большая проблема с генератором
на ротор 12 вольт идет лишь тогда, когда зажигание включено, а двигатель не работает, ротор не крутится, с повышением оборотов напряжение на ротор должно уменьшаться то того уровня, чтоб в сети напряжение не поднималось выше 14.2 вольта! Может есть смысл почистить токосъемные кольца?
- archer
- И так сойдет
- Повідомлень: 2093
- З нами з: 25 травня 2009, 11:13
- Мотоцикл: Suzuki GS 500F => DR650r => KTM 690 Enduro R
- Звідки: Киев
- Дякував (ла): 0
- Подякували: 0
- Контактна інформація:
Re: Большая проблема с генератором
У тебя все правильно подключено, не изобретай велосипед, а лучше проверь аккум, чтото мне подсказывает, что он на ладан дышит. Нормально заряженный аккум не успевает просесть даже за 15 мин стояния с включенным зажиганием и соответственно подключенным ротором.Руслан2305 писав:но все равно не пойму как правильно сделать, уже все схемы перепробовал, как сделать что б на возбуждение не шло полное питание, тоисть 12 вольт, и можно ли что б вообще не подавалась напруга на ротор, а только от него шло,путем установки диода? если не прав прошу не винить
И так сойдет
- OlegHunter
- рокер
- Повідомлень: 471
- З нами з: 25 вересня 2009, 10:25
- Мотоцикл: JAWA-638, JAWA-250/559, ЧЗ-180/487, ИЖ-П/56, Альфа
- Звідки: Киев
- Дякував (ла): 0
- Подякували: 0
- Контактна інформація:
Re: Большая проблема с генератором
- В этой схеме = ошибка! По приведенной схеме РР запитан даже ТРИЖДЫ!!! Более чем достаточно подать питание на РР с замка зажигания (ЗЗ). При этом на незаведенном дв. ток на плюсовой щётке ДО = 3А, с увеличением оборотов падает почти до 0. ..Есть вариант запитки РР от дополнительных трёх диодов генератора + паралельно, для первоначального возбуждения - через маломощную/контрольную лампу от ЗЗ. На схеме - три доп-диода есть, но НЕТ контрольки! Значит - эта ветка запитки РР = неполноценная/лишняя. Тем более - абсолютно лишняя запитка от (+) диодного блока на РР.Руслан2305 писав: подключено вот по этой схеме, вобщем вся суть проблемы заключается в том, что на не заведенном движке напруга подается сразу на обмотку возбуждения,
....Увеличеный ампераж на щёточном узле: - либо коротыш/межвитковое в якоре (нормальное сопротивление на коллекторных кольцах = около 7 Ом); - либо неисправный РР, подающий сдуру напругу (ток больше 10А) напрямую на щётку (+). Обе схемы запитки РР есть в книге "Автомобили ВАЗ 2105-07, стр.167. Также напомню: схема ЯВы 638 абсолютно аналогична схеме ВАЗ 2101-06-2121., у ИЖевского гена нет только отвода от середины звезды для запитки реле контрольной лампы, что не есть принципиальным для подачи возбуждения/снятия напруги...
Хто зараз онлайн
Користувачі, які зараз переглядають цей форум: Немає зареєстрованих користувачів