Geser. Моя машина. Jawa 350 638.
- Geser
- Гесератор-модератор
- Повідомлень: 2066
- З нами з: 31 травня 2009, 08:06
- Мотоцикл: Jawa 350 638 1988
- Звідки: Волиця - Київ - Бориспіль
- Дякував (ла): 0
- Подякували: 0
- Контактна інформація:
Re: Geser. Моя машина. Jawa 350 638.
Я боюся перегріву. На штатному радіатор набагато солідніший.
Слава Україні!
- archerix
- Старая гвардия
- Повідомлень: 4665
- З нами з: 05 лютого 2011, 16:42
- Мотоцикл: Ява 638
- Звідки: Киев
- Дякував (ла): 0
- Подякували: 0
- Контактна інформація:
Re: Geser. Моя машина. Jawa 350 638.
По-моему, самое трудное - это как-то закрепить эту аццкую конструкцию из двух фиговин и радиатора. Помнится, долго ходил вокруг мота с этой штуковиной, но так и не придумал, где пристроить. Плюнул и стал чинить родной девайс 

Пусто 

- USS
- Старая гвардия
- Повідомлень: 1877
- З нами з: 24 вересня 2013, 13:19
- Мотоцикл: JAWA350-638-5. ИЖ-Ю-2
- Звідки: Полтавская обл.
- Дякував (ла): 0
- Подякували: 1 раз
- Контактна інформація:
Re: Geser. Моя машина. Jawa 350 638.
Вірна думка. Треба підшукати більший радіатор і зерез термопасту прикрутити до нього той міст. Такі мости ставляють на плати сварочних інверторів, так їх навідь випаювати без встановленого радіатора неможна, бо перегрів і гаплик. До тогож, при перегріві у процесі роботи, він буде погано працювати, а гріються мости таки добряче, не дарма штатний зроблений на радіаторах і встановлюється поблище до входу у повітряний фільтр, всеж якийсь обдув.Я боюся перегріву. На штатному радіатор набагато солідніший.
_____Dirty Deeds Done Dirt Cheap_____
- route 66
- Старая гвардия
- Повідомлень: 1229
- З нами з: 14 серпня 2012, 06:27
- Мотоцикл: Jawa 350/634-8
- Звідки: Кременчуг
- Дякував (ла): 6 разів
- Подякували: 0
- Контактна інформація:
Re: Geser. Моя машина. Jawa 350 638.
У мене такі мости, тіки два двохфазні (одна фаза вільна). На Юпітєрі прикручені просто до металевого бардачка без радіатора. А на Яві... я вже і не пам'ятаю куди я їх засунув

- Geser
- Гесератор-модератор
- Повідомлень: 2066
- З нами з: 31 травня 2009, 08:06
- Мотоцикл: Jawa 350 638 1988
- Звідки: Волиця - Київ - Бориспіль
- Дякував (ла): 0
- Подякували: 0
- Контактна інформація:
-
- los Relajados
- Повідомлень: 649
- З нами з: 04 травня 2010, 17:09
- Мотоцикл: CZ 472.6
- Звідки: Каменское(Днепродзержинск), Днепропетровская обл.
- Дякував (ла): 1 раз
- Подякували: 0
- Контактна інформація:
Re: Geser. Моя машина. Jawa 350 638.
Преимущества могут появиться, если задействовать нулевую точку звёзды обмоток статора, говорят даёт немного большую мощность! По сути нулевую точку нужно подсоединить к ещё одному плечу выпрямителя.
- Александр77
- Старая гвардия
- Повідомлень: 1413
- З нами з: 25 липня 2014, 06:57
- Мотоцикл: jawa638, jawa559castom,spark sp200d26m,ЧЗ 350 кафе, BMW F650GS
- Звідки: Котельва, Полтавская область
- Дякував (ла): 0
- Подякували: 0
- Контактна інформація:
Re: Geser. Моя машина. Jawa 350 638.
? а ну-ка поподробнее, если можно с рисункомC_ Joker писав: 11 березня 2019, 17:09 Преимущества могут появиться, если задействовать нулевую точку звёзды обмоток статора, говорят даёт немного большую мощность! По сути нулевую точку нужно подсоединить к ещё одному плечу выпрямителя.
- Geser
- Гесератор-модератор
- Повідомлень: 2066
- З нами з: 31 травня 2009, 08:06
- Мотоцикл: Jawa 350 638 1988
- Звідки: Волиця - Київ - Бориспіль
- Дякував (ла): 0
- Подякували: 0
- Контактна інформація:
Re: Geser. Моя машина. Jawa 350 638.
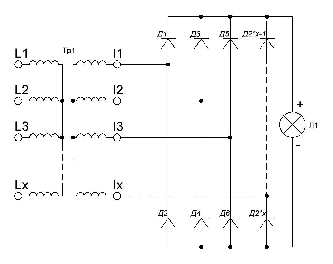
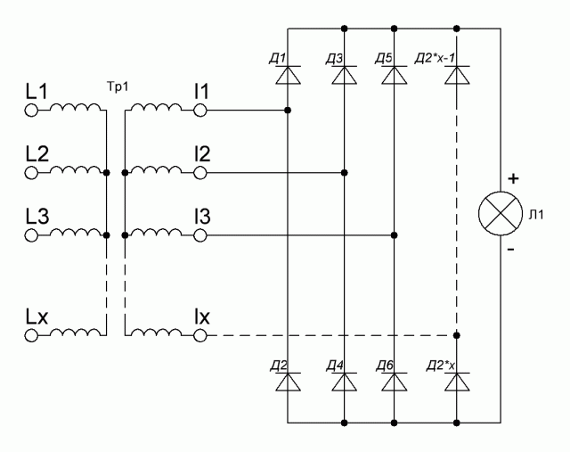
Наскільки я зрозумів, треба почепити те, що показано пунктиром, на вивід 86 (місце з'єднання l1, l2 i l3) генератора.
Слава Україні!
-
- los Relajados
- Повідомлень: 649
- З нами з: 04 травня 2010, 17:09
- Мотоцикл: CZ 472.6
- Звідки: Каменское(Днепродзержинск), Днепропетровская обл.
- Дякував (ла): 1 раз
- Подякували: 0
- Контактна інформація:
Re: Geser. Моя машина. Jawa 350 638.
Ну это схема типа сварочного выпрямителя, а вот тут именно с генератором http://forum.jawaold.su/viewtopic.php?p ... fa37#77617
- Geser
- Гесератор-модератор
- Повідомлень: 2066
- З нами з: 31 травня 2009, 08:06
- Мотоцикл: Jawa 350 638 1988
- Звідки: Волиця - Київ - Бориспіль
- Дякував (ла): 0
- Подякували: 0
- Контактна інформація:
Re: Geser. Моя машина. Jawa 350 638.
Цікаво, чому про це не чутно було, коли було модно ставити два мости і була вільна гілка?Один дротик всього доточити.
Слава Україні!
-
- los Relajados
- Повідомлень: 649
- З нами з: 04 травня 2010, 17:09
- Мотоцикл: CZ 472.6
- Звідки: Каменское(Днепродзержинск), Днепропетровская обл.
- Дякував (ла): 1 раз
- Подякували: 0
- Контактна інформація:
Re: Geser. Моя машина. Jawa 350 638.
Ну как бы в стандартной схеме, 86 вывод генератора(центр звёзды) задействован в реле лампы зарядки, в схеме что привел я, контрольная лампа работает немного по другому принципу! Вот по этому, ИМХО, и не было слышно.
- Geser
- Гесератор-модератор
- Повідомлень: 2066
- З нами з: 31 травня 2009, 08:06
- Мотоцикл: Jawa 350 638 1988
- Звідки: Волиця - Київ - Бориспіль
- Дякував (ла): 0
- Подякували: 0
- Контактна інформація:
-
- los Relajados
- Повідомлень: 649
- З нами з: 04 травня 2010, 17:09
- Мотоцикл: CZ 472.6
- Звідки: Каменское(Днепродзержинск), Днепропетровская обл.
- Дякував (ла): 1 раз
- Подякували: 0
- Контактна інформація:
Re: Geser. Моя машина. Jawa 350 638.
Я имел в виду, что если задействовать вывод центра звёзды, то не будет работать, наверное, стандартное реле лампы зарядки.
- USS
- Старая гвардия
- Повідомлень: 1877
- З нами з: 24 вересня 2013, 13:19
- Мотоцикл: JAWA350-638-5. ИЖ-Ю-2
- Звідки: Полтавская обл.
- Дякував (ла): 0
- Подякували: 1 раз
- Контактна інформація:
Re: Geser. Моя машина. Jawa 350 638.
Щось та схема нагадує заморочене іжівське БПВ 14-10. Стандартне реле лампи зарядки просто тупо вимикає лампу при проходженні через нього напруги з працюючого генератора, його можна приєднати до будь якої фази результат буде однаковий, звичайно коли та фаза працюватиме.Ну это схема типа сварочного выпрямителя, а вот тут именно с генератором
_____Dirty Deeds Done Dirt Cheap_____
- JUK
- Старая гвардия
- Повідомлень: 1653
- З нами з: 13 березня 2011, 09:45
- Мотоцикл: JAWA 638
- Дякував (ла): 0
- Подякували: 0
- Контактна інформація:
Re: Geser. Моя машина. Jawa 350 638.
Слава , гарний стiл для похiдної паляни . Огiрочки порiзати , сальце , по чарчинi шнапсу налити ...
А якщо надзвукову швидкiсть розвивати , то буде працювати як антiкрило чи закрилок


- KWAKA
- Омаровод
- Повідомлень: 2690
- З нами з: 14 червня 2010, 18:55
- Мотоцикл: Пішохід
- Звідки: БЦ
- Дякував (ла): 0
- Подякували: 0
- Контактна інформація:
Re: Geser. Моя машина. Jawa 350 638.
Треба було закласти можливість міняти кут багажника, бо чарки поїдуть, а ковбаса покотиться.
- Geser
- Гесератор-модератор
- Повідомлень: 2066
- З нами з: 31 травня 2009, 08:06
- Мотоцикл: Jawa 350 638 1988
- Звідки: Волиця - Київ - Бориспіль
- Дякував (ла): 0
- Подякували: 0
- Контактна інформація:
Re: Geser. Моя машина. Jawa 350 638.
Там міняється. Це ж Monorack.Антипионер писав: 19 березня 2019, 07:27 Треба було закласти можливість міняти кут багажника, бо чарки поїдуть, а ковбаса покотиться.

Слава Україні!
- Geser
- Гесератор-модератор
- Повідомлень: 2066
- З нами з: 31 травня 2009, 08:06
- Мотоцикл: Jawa 350 638 1988
- Звідки: Волиця - Київ - Бориспіль
- Дякував (ла): 0
- Подякували: 0
- Контактна інформація:
Re: Geser. Моя машина. Jawa 350 638.
Якщо випиляти площадку для баула 300х600 мм, то і 6 персон можна всадовити.
Слава Україні!
- Geser
- Гесератор-модератор
- Повідомлень: 2066
- З нами з: 31 травня 2009, 08:06
- Мотоцикл: Jawa 350 638 1988
- Звідки: Волиця - Київ - Бориспіль
- Дякував (ла): 0
- Подякували: 0
- Контактна інформація:
Re: Geser. Моя машина. Jawa 350 638.
Є сенс ставити на задок гальмо з двома кулаками?
Слава Україні!
- USS
- Старая гвардия
- Повідомлень: 1877
- З нами з: 24 вересня 2013, 13:19
- Мотоцикл: JAWA350-638-5. ИЖ-Ю-2
- Звідки: Полтавская обл.
- Дякував (ла): 0
- Подякували: 1 раз
- Контактна інформація:
Re: Geser. Моя машина. Jawa 350 638.
Хтозна. Я поставив. Тіко з тросом треба побавитися. Задки ява ніколи не їздитиме тож най буде.
_____Dirty Deeds Done Dirt Cheap_____
Хто зараз онлайн
Користувачі, які зараз переглядають цей форум: Немає зареєстрованих користувачів