И это... если внимательно просмотреть предидущие страницы, там есть чертежи, может и вопрос и отпадет!
Снова маятник
- nik_2
- Старая гвардия
- Повідомлень: 1088
- З нами з: 28 серпня 2013, 08:44
- Мотоцикл: Minsk 125
- Звідки: Киев (Буча)
- Дякував (ла): 0
- Подякували: 0
- Контактна інформація:
Re: Снова маятник
Прочитайте и отредактируйте пожалуйста свой вопрос, ато непонятно о какой резьбе идет речь.
И это... если внимательно просмотреть предидущие страницы, там есть чертежи, может и вопрос и отпадет!
И это... если внимательно просмотреть предидущие страницы, там есть чертежи, может и вопрос и отпадет!
"Мечтай так, как будто будешь жить вечно!
Живи так, как будто завтра умрешь!" © В.Цой
-Обьем мозга должен справляться с обьемом двигуна!
Живи так, как будто завтра умрешь!" © В.Цой
-Обьем мозга должен справляться с обьемом двигуна!
- lelik
- Старая гвардия
- Повідомлень: 1263
- З нами з: 16 лютого 2012, 12:11
- Мотоцикл: Jawa: 634-01 (вишневочка), ЧИХ-ПИХ 5
- Звідки: г. Переяслав-Хмельницкий
- Дякував (ла): 0
- Подякували: 0
- Контактна інформація:
Re: Снова маятник
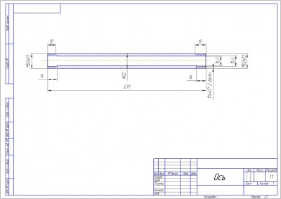
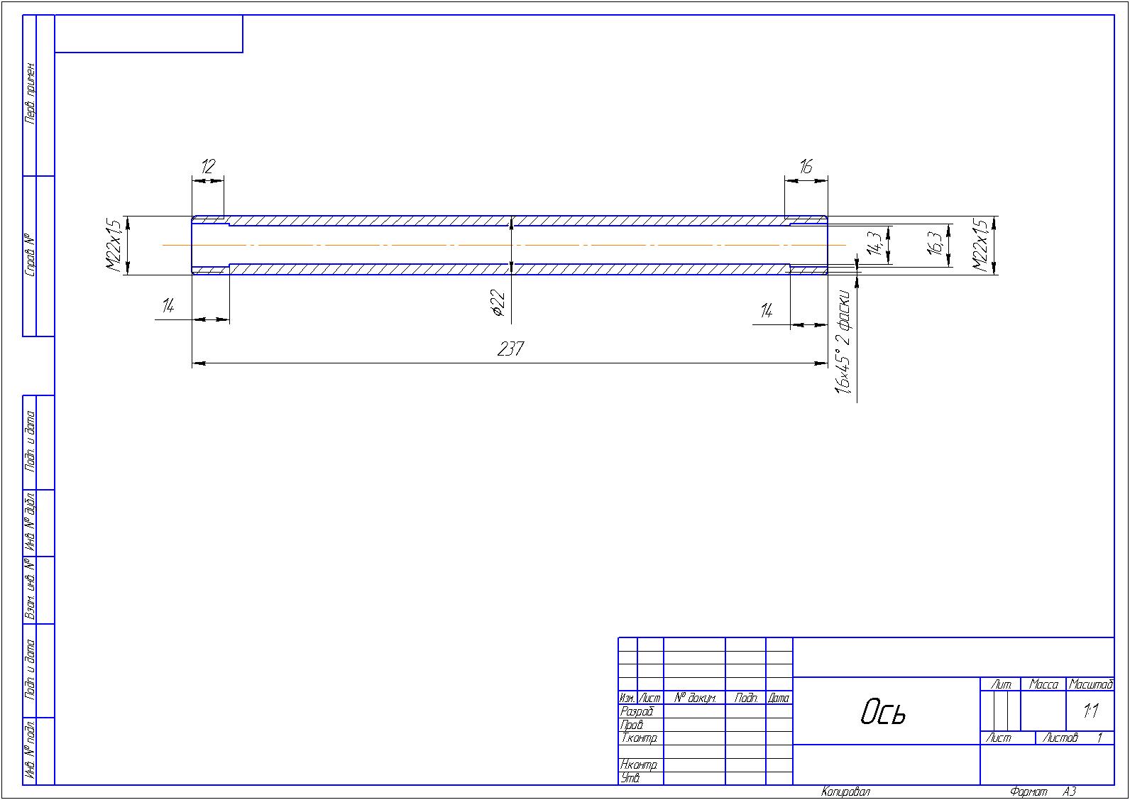
Я полагаю, что вопрос о резьбе оси маятника...она там М22х1.5
чертеж на олде есть и не один http://jackyu.users.photofile.ru/photo/ ... 659948.jpg
или же штыри-упоры нижних голов амортизаторов - там М10
чертеж на олде есть и не один http://jackyu.users.photofile.ru/photo/ ... 659948.jpg
или же штыри-упоры нижних голов амортизаторов - там М10
жизнь хороша, когда едешь не спеша...
- USS
- Старая гвардия
- Повідомлень: 1877
- З нами з: 24 вересня 2013, 13:19
- Мотоцикл: JAWA350-638-5. ИЖ-Ю-2
- Звідки: Полтавская обл.
- Дякував (ла): 0
- Подякували: 1 раз
- Контактна інформація:
Re: Снова маятник
Поддерживаю nik_2, разбирал на своей яве, до покупки мною остатков мота рама проживала в саду под деревом лет пять, плюс никто подвеску никогда не разбирал, про безвозвратное убиение оси маятника при попытке выбить на сухую предупредили, просверлил в маятнике отверстие, масленка не предусматривалась в моем варианте, несколько дней все это дело откисало в закачанной внутрь вэдэшке, гайки оси зажал и пошатывая за маятник добился того,чтоб маятник стал проворачиваться свободно на втулках, после открутил гайки и через дубовую наставку выколотил ось, все детали удалось сохранить без потерь. Внутри сохранились следы заводской смазки красноватого цвета такой же были смазаны подшипники в колесах. Вкладыши (медно-графитовые полоски) заменил, все перемазал литолом, собрал, 10000 проехал после ремонта- все норм.. Подвеска на резиновых блоках на МТ- только под коляску, на одиночных днепрах стоят роликовые подшипники. Конструкция заднего маятника явы 634 не из плохих, просто мало кто занимался раньше ТО данного узла, ездили до последнего.
_____Dirty Deeds Done Dirt Cheap_____
- mogutov
- рокер
- Повідомлень: 177
- З нами з: 25 грудня 2014, 09:23
- Мотоцикл: jawa 634. cezet 472.6. ИЖ планета-5. ИЖ Юпитер-5
- Звідки: Луганск
- Дякував (ла): 0
- Подякували: 0
- Контактна інформація:
Re: Снова маятник
Кто делал с бронзы втулки,они же вращаються в маятнике,так как ось распорная и втулки стягиваются гайками и получается одно целое.так вот маятника на долго хватит?
У каждого электрика есть свой ангел…
Ангел-предохранитель.
Ангел-предохранитель.
- mogutov
- рокер
- Повідомлень: 177
- З нами з: 25 грудня 2014, 09:23
- Мотоцикл: jawa 634. cezet 472.6. ИЖ планета-5. ИЖ Юпитер-5
- Звідки: Луганск
- Дякував (ла): 0
- Подякували: 0
- Контактна інформація:
Re: Снова маятник
с капролона точили втулки?как они ходят?
У каждого электрика есть свой ангел…
Ангел-предохранитель.
Ангел-предохранитель.
- Roller
- мож че и выростит
- Повідомлень: 88
- З нами з: 26 вересня 2011, 10:53
- Мотоцикл: JAWA 638-0 , Riga-16
- Звідки: Січеславська обл.
- Дякував (ла): 1 раз
- Подякували: 0
- Контактна інформація:
Re: Снова маятник
Третій сезон маятник працює на копролонових втулках без зауважень.
Одна проблема була після встановлення , сама вісь проверталася у рамі ( дуже малі допуски витримали,як точили на станку втулки ) ,довелося прихватити обережно напівавтоматом трьома крапками кожну гайку до рами. А так вузол тримається на відмінно ,та край колеса геть не люфтить.
Одна проблема була після встановлення , сама вісь проверталася у рамі ( дуже малі допуски витримали,як точили на станку втулки ) ,довелося прихватити обережно напівавтоматом трьома крапками кожну гайку до рами. А так вузол тримається на відмінно ,та край колеса геть не люфтить.
- Skomoroh
- Йолккорокер
- Повідомлень: 3450
- З нами з: 25 травня 2009, 10:59
- Мотоцикл: XL600Lm, GSF1200S
- Звідки: Минск
- Дякував (ла): 0
- Подякували: 0
- Контактна інформація:
Re: Снова маятник
Roller
Чем тебе 12 флотилия кригсмарине так полюбилась, собственно ?
Чем тебе 12 флотилия кригсмарине так полюбилась, собственно ?
Мотоциклизд, распиздяй и йолкобайкер.
Хожу, причиняю добро там и тут (с)
Хожу, причиняю добро там и тут (с)
- Roller
- мож че и выростит
- Повідомлень: 88
- З нами з: 26 вересня 2011, 10:53
- Мотоцикл: JAWA 638-0 , Riga-16
- Звідки: Січеславська обл.
- Дякував (ла): 1 раз
- Подякували: 0
- Контактна інформація:
Re: Снова маятник
Взагалі то увесь підводний флот "полюбився" , особливо заворожує мех.частина човнів , у ній щось незвичайне ,бо є там ДВС і АКБ,яке працює сумісно 
- Skomoroh
- Йолккорокер
- Повідомлень: 3450
- З нами з: 25 травня 2009, 10:59
- Мотоцикл: XL600Lm, GSF1200S
- Звідки: Минск
- Дякував (ла): 0
- Подякували: 0
- Контактна інформація:
Re: Снова маятник
Без вопросов.
Мотоциклизд, распиздяй и йолкобайкер.
Хожу, причиняю добро там и тут (с)
Хожу, причиняю добро там и тут (с)
- Vitaha_N
- Старая гвардия
- Повідомлень: 1612
- З нами з: 05 січня 2011, 21:05
- Мотоцикл: Jawa, Suzuki
- Звідки: Кривой Рог
- Дякував (ла): 0
- Подякували: 0
- Контактна інформація:
Re: Снова маятник
Вопрос уже был, но ответа на него в теме я не нашел, спрошу еще раз: кто нибудь пробовал ставить такой комплект как на фото (продается на Аукро и OLX). Есть смысл в его покупке и установке или купить и поменять вкладыши?
- Vadka
- рокер
- Повідомлень: 251
- З нами з: 03 вересня 2014, 19:08
- Мотоцикл: JAWA 634-7-00
- Звідки: Полтава
- Дякував (ла): 0
- Подякували: 0
- Контактна інформація:
Re: Снова маятник
Я купував такий комплект, так як мені була потрібна нова онька маятника, самі ж втулки в маятнику бовтались, тому поставив заводські втулки з вкладишами із донорського маятника.
- kiselandrew
- АВАТАР ААНГ
- Повідомлень: 2860
- З нами з: 25 травня 2009, 14:11
- Мотоцикл: none
- Звідки: Novgorod-Siverskiy, UA
- Дякував (ла): 0
- Подякували: 0
- Контактна інформація:
Re: Снова маятник
А можна ж було під втулки щось напхати? Фольги мідної або що?
https://www.strava.com/athletes/20928928
- Vadka
- рокер
- Повідомлень: 251
- З нами з: 03 вересня 2014, 19:08
- Мотоцикл: JAWA 634-7-00
- Звідки: Полтава
- Дякував (ла): 0
- Подякували: 0
- Контактна інформація:
Re: Снова маятник
Заводські втулки з вкладишами були в чудовому стані і в маятник вставились щільно, тому не став морочитись із новими втулками.
- Aleks1978
- Старая гвардия
- Повідомлень: 4206
- З нами з: 15 вересня 2009, 17:56
- Мотоцикл: 350/634
- Звідки: Харківська область,Борівщіна
- Дякував (ла): 2 рази
- Подякували: 0
- Контактна інформація:
Re: Снова маятник
разрезать с одной стороны втулку наискось,обжать . а между втулкой и корпусом маятника всунуть чего нибудь. медь,жэсть,пластик и тд. я таким путем спасался. если ось выработана втулкой,то почти не помогает.
095 02 63 867юмс і 063 624 72 60 лайф (вайбер і телеграм)[/color] Саня.
Держи и ум,и душу в чистоте.Тогда и процветание будет мудрым.
Держи и ум,и душу в чистоте.Тогда и процветание будет мудрым.
-
Andrey V
- мож че и выростит
- Повідомлень: 107
- З нами з: 05 січня 2016, 19:34
- Мотоцикл: Aprilia SRV 850. Ява 350 638 люкс
- Дякував (ла): 0
- Подякували: 0
- Контактна інформація:
Re: Снова маятник
Я поставил бронзовые втулки с каналами под смазку, потом раз в сезон шприцуешь и все
-
pasha750
- ньюб
- Повідомлень: 3
- З нами з: 22 січня 2016, 12:04
- Мотоцикл: jawa634-7
- Дякував (ла): 0
- Подякували: 0
- Контактна інформація:
Re: Снова маятник
я себе точно такие же замутил! 2 года уже катаюсь и горя не знаю!Andrey V писав:Я поставил бронзовые втулки с каналами под смазку, потом раз в сезон шприцуешь и все
- Aleks1978
- Старая гвардия
- Повідомлень: 4206
- З нами з: 15 вересня 2009, 17:56
- Мотоцикл: 350/634
- Звідки: Харківська область,Борівщіна
- Дякував (ла): 2 рази
- Подякували: 0
- Контактна інформація:
Re: Снова маятник
НАРОД! ПОЯСНІТЬ МЕНІ,ШО І ДЕ В МАЯТНИКУ ТРЕТЬЦЯ? або втулки об маятник,або втулки об вісь маятника. проточів вісь і тепер в мене будуть втулки терти об вісь маятника. втулки не точів,а зробив з листа латуні 3мм.
095 02 63 867юмс і 063 624 72 60 лайф (вайбер і телеграм)[/color] Саня.
Держи и ум,и душу в чистоте.Тогда и процветание будет мудрым.
Держи и ум,и душу в чистоте.Тогда и процветание будет мудрым.
- USS
- Старая гвардия
- Повідомлень: 1877
- З нами з: 24 вересня 2013, 13:19
- Мотоцикл: JAWA350-638-5. ИЖ-Ю-2
- Звідки: Полтавская обл.
- Дякував (ла): 0
- Подякували: 1 раз
- Контактна інформація:
Re: Снова маятник
По міркуванням чеських інженерів..., маятник обертається навколо втулок, які затиснуті нерухомо на вісі з розпорною втулкою між ними, між втулкою та маятником встановлюються вкладиші, тобто по них і треться. Що буде тертися при переробках усяких- хтозна.
_____Dirty Deeds Done Dirt Cheap_____
- Aleks1978
- Старая гвардия
- Повідомлень: 4206
- З нами з: 15 вересня 2009, 17:56
- Мотоцикл: 350/634
- Звідки: Харківська область,Борівщіна
- Дякував (ла): 2 рази
- Подякували: 0
- Контактна інформація:
Re: Снова маятник
у моэму варіанті втулки туго посаджені в маятник. так що втулки тертимуть о маятник. якщо по чеському,то можна кусрк водопровідної труби замість втулки. а вкладиш з бронзового або схожого матеріалу зробити. ефект буде однаковий.
095 02 63 867юмс і 063 624 72 60 лайф (вайбер і телеграм)[/color] Саня.
Держи и ум,и душу в чистоте.Тогда и процветание будет мудрым.
Держи и ум,и душу в чистоте.Тогда и процветание будет мудрым.
- USS
- Старая гвардия
- Повідомлень: 1877
- З нами з: 24 вересня 2013, 13:19
- Мотоцикл: JAWA350-638-5. ИЖ-Ю-2
- Звідки: Полтавская обл.
- Дякував (ла): 0
- Подякували: 1 раз
- Контактна інформація:
Re: Снова маятник
НАРОД! ПОЯСНІТЬ МЕНІ,ШО І ДЕ В МАЯТНИКУ ТРЕТЬЦЯ? або втулки об маятник,або втулки об вісь маятника. проточів вісь і тепер в мене будуть втулки терти об вісь маятника. втулки не точів,а зробив з листа латуні 3мм.
З усього надрукованого зрозумів тільки:у моэму варіанті втулки туго посаджені в маятник. так що втулки тертимуть о маятник. якщо по чеському,то можна кусрк водопровідної труби замість втулки. а вкладиш з бронзового або схожого матеріалу зробити. ефект буде однаковий.
- пояснив. Все інше-НАРОД! ПОЯСНІТЬ МЕНІ,ШО І ДЕ В МАЯТНИКУ ТРЕТЬЦЯ?
_____Dirty Deeds Done Dirt Cheap_____
- Aleks1978
- Старая гвардия
- Повідомлень: 4206
- З нами з: 15 вересня 2009, 17:56
- Мотоцикл: 350/634
- Звідки: Харківська область,Борівщіна
- Дякував (ла): 2 рази
- Подякували: 0
- Контактна інформація:
Re: Снова маятник
USS. извиняюсь за не понятное изложение.
вопрос состоял в том,што и где трется в маятнике. вы на него ответили. СПАСИБО
коментарий мой ,а точнее то што у меня получилось.
в связи с тем,што я щасливый обладатель приличного листового куска латуни толщиной 3мм,и отсутствием бронзы как таковой (все вывезли на цвет мет),а купить готовое изделие в данный момент никак. то было принято решение использовать кусок латуни для изготовления втулок.
а так как предидущие,ЗАВОДСКИЕ,втулки терлись о ось. то и ось пришлось обточить до 21мм со всеми вытекающими.
путем отрезания полосок материала и обертыванием во круг оськи. получились довольно не плохие втулки,но их недостаток в том. што их надо плотно садить в корпус маятника(ибо разжимаются курвы,и как у чехов не получается)
и по этому они будут терется о ось маятника,а не как у чехов о корпус маятника. между втулками проложен вкладыш из железа,так што места для трения втулкам до фига 
095 02 63 867юмс і 063 624 72 60 лайф (вайбер і телеграм)[/color] Саня.
Держи и ум,и душу в чистоте.Тогда и процветание будет мудрым.
Держи и ум,и душу в чистоте.Тогда и процветание будет мудрым.
Хто зараз онлайн
Користувачі, які зараз переглядають цей форум: Немає зареєстрованих користувачів